Запчасти John Deere 90 14 - BUCKET 3302 - EXCAVATOR 33

Схема запчастей John Deere 90 - 14 - BUCKET 3302 - EXCAVATOR 33
FIT
1:1
100%

Артикул

Название

Примечание

Количество

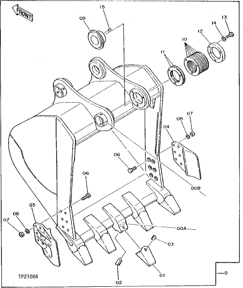
0

EXCAVATOR BUCKET

(1-1/2 CUBIC YARD) ( TH110164 NO LONGER AVAILABLE)

1шт.

EXCAVATOR BUCKET

(1-3/4 CUBIC YARD) ( TH110165 NO LONGER AVAILABLE)

1шт.

0A

4326645

BUCKET TOOTH ADAPTER

(SUB FOR 4195699) (SUB FOR TH111281)

5шт.

0B

TH103198

BUSHING

2шт.

1

T40S

TOOTH

(SUB FOR TH109818 OR T33187)

5шт.

2

T40PN

PIN FASTENER

(SUB FOR T33188)

5шт.

3

T3540LK

LOCK

(SUB FOR T33146)

5шт.

4

2021232

CUTTING EDGE

(SUB FOR TH109819)

1шт.

5

2021233

CUTTING EDGE

(SUB FOR TH109820)

1шт.

6

J932265

BOLT

(SUB FOR TH102456)

12шт.

7

J951022

NUT

(SUB FOR TH102457)

12шт.

8

12H245

LOCK WASHER

7/8", (SUB FOR 12H352)

12шт.

9

4143522

BUSHING

(K) (SUB FOR TH103234)

1шт.

10

4143524

WASHER

(K) (SUB FOR TH103235)

6шт.

11

4143525

SHIM

(K) (SUB FOR TH103236)

2шт.

12

TH103237

PLATE

(K)

1шт.

13

19M7489

CAP SCREW

(K) M16 X 45

3шт.

14

12H294

LOCK WASHER

(K) 5/8"

3шт.

15

4179110

PIN

(K) (SUB FOR TH103520)

1шт.

Выбрано товаров: 19