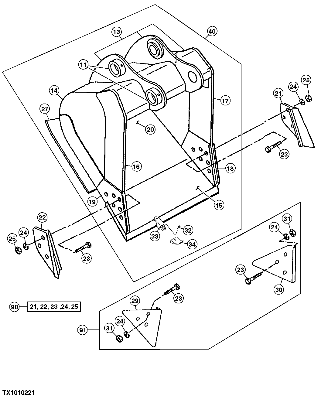
Запчасти John Deere 90 17A - SEVERE DUTY PLATE LIP BUCKET 3302 - EXCAVATOR 33

Схема запчастей John Deere 90 - 17A - SEVERE DUTY PLATE LIP BUCKET 3302 - EXCAVATOR 33
FIT
1:1
100%

Артикул

Название

Примечание

Количество

11

TH102409

BUSHING

2шт.

13

C603692

PIVOT

(F) (BUCKET EAR BLANK ASSEMBLY)

1шт.

14

304371

PLATE

(F) (RH) (LH)

2шт.

15

AT131097

CUTTING EDGE

(CUT TO LENGTH)

1шт.

16

304368

VERTICAL CUTTER

(F) (SIDE CUTTER) (UPPER RH)

1шт.

17

304367

VERTICAL CUTTER

(F) (SIDE CUTTER) (UPPER LH)

1шт.

18

304369

VERTICAL CUTTER

(F) (SIDE CUTTER INSERT) (LH)

1шт.

19

304370

VERTICAL CUTTER

(F) (SIDE CUTTER INSERT) (RH)

1шт.

20

603868

MOLDBOARD

(F) (30 INCH BUCKET)

1шт.

603869

MOLDBOARD

(F) (36 INCH BUCKET)

1шт.

603870

MOLDBOARD

(F) (42 INCH BUCKET)

1шт.

21

CUTTING EDGE

(SUB AT131085)

1шт.

22

CUTTING EDGE

(SUB AT131085)

1шт.

23

09H1771

BOLT

7/8" X 3"

6шт.

24

12H245

LOCK WASHER

7/8"

6шт.

25

14H1077

NUT

7/8"

6шт.

27

603873

BAR

(F) (DOUBLE BOTTOM WEAR BAR) (30 INCH BUCKET)

1шт.

603874

BAR

(F) (DOUBLE BOTTOM WEAR BAR) (36 INCH BUCKET)

1шт.

603875

BAR

(F) (DOUBLE BOTTOM WEAR BAR) (42 INCH BUCKET)

1шт.

29

SHROUD

(WEAR SHROUD) (SUB AT167876)

1шт.

30

SHROUD

(WEAR SHROUD) (SUB AT167876)

1шт.

31

14H1044

NUT

7/8"

6шт.

32

TP400HD

PIN

ARшт.

33

T802X400

BUCKET TOOTH ADAPTER

ARшт.

34

TF400

TOOTH

ARшт.

Выбрано товаров: 25