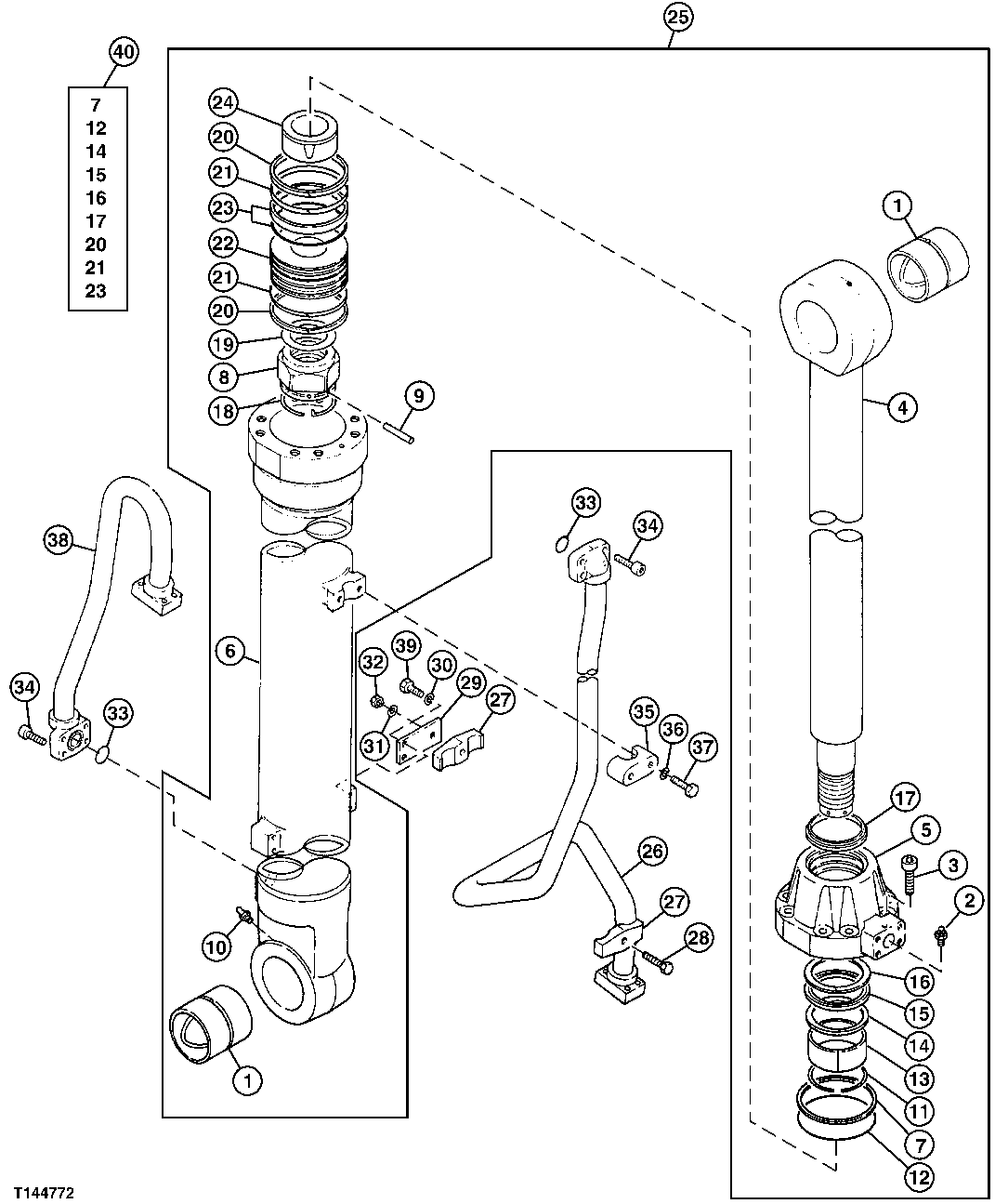
Запчасти John Deere 90 4 - LEFT BOOM CYLINDER (792) 3360 - EXCAVATOR 33

Схема запчастей John Deere 90 - 4 - LEFT BOOM CYLINDER (792) 3360 - EXCAVATOR 33
FIT
1:1
100%

Артикул

Название

Примечание

Количество

1

3036658

BUSHING

(SUB FOR TH103315) (ALSO ORDER (4) TH102411) (SUB FOR TH111166)

2шт.

2

0237418

BLEED VALVE

(SUB FOR TH102787)

1шт.

3

19M8630

SCREW

M24 X 80

8шт.

4

0236804

ROD

(SUB FOR TH103305)

1шт.

5

0237103

HYDR. CYLINDER ROD GUIDE

(SUB FOR TH103306)

1шт.

6

0236803

HYDRAULIC CYLINDER BARREL

(SUB FOR TH103304)

1шт.

7

TH102823

BACK-UP RING

(A)

1шт.

8

0224110

NUT

(SUB FOR TH103311)

1шт.

9

0224111

PIN

(SUB FOR TH103312)

1шт.

10

TH100074

LUBRICATION FITTING

1шт.

11

0208504

WEAR RING

(SUB FOR TH103308)

1шт.

12

TH102822

O-RING

(A)

1шт.

13

0237104

BUSHING

(SUB FOR TH103307)

1шт.

14

TH103320

RING

(A)

1шт.

15

TH103321

SEAL

(A)

1шт.

16

TH103322

BACK-UP RING

(A)

1шт.

17

TH103323

SEAL

(A)

1шт.

18

0224113

SNAP RING

(SUB FOR TH103313)

1шт.

19

0237107

SHIM

(SUB FOR TH103314)

1шт.

20

TH102826

WEAR RING

(A)

2шт.

21

4S00147

RING

(A) (SUB FOR TH102825)

2шт.

22

0237106

PISTON

(SUB FOR TH103310)

1шт.

23

TH102824

SEAL

(A)

1шт.

24

0237105

CUSHION

(SUB FOR TH103309)

1шт.

25

4190499

HYDRAULIC CYLINDER

(SUB FOR TH106312, AT264215)

1шт.

26

0237110

OIL LINE

(SUB FOR TH103524) (ALSO ORDER TH103318 AND (2) TH103319) (SUB FOR TH103327)

1шт.

0237110

OIL LINE

(SUB FOR TH103327)

1шт.

27

0237112

HALF CLAMP

(USE WITH TH103524) (SUB FOR TH103319)

2шт.

0236915

HALF CLAMP

(USE WITH TH103327) (SUB FOR TH102783)

2шт.

28

19M7291

CAP SCREW

M14 X 90

1шт.

29

0237111

STRAP

(USE WITH TH103524) (SUB FOR TH103318)

1шт.

0236912

STRAP

(USE WITH TH103327) (SUB FOR TH102780)

1шт.

30

12M7068

LOCK WASHER

14 MM

2шт.

31

24M7085

WASHER

15 X 28 X 2.500 MM

1шт.

32

14M7169

LOCK NUT

M14

1шт.

33

AT264348

O-RING

(SUB FOR TH102788)

3шт.

34

19M8395

SCREW

M12 X 40

8шт.

35

0237416

HALF CLAMP

(SUB FOR TH102777)

1шт.

36

12M7058

LOCK WASHER

12 MM, (SUB FOR 12M7067)

2шт.

37

19M7363

CAP SCREW

M12 X 60

2шт.

38

0237109

OIL LINE

(SUB FOR TH103326)

1шт.

39

19M5827

CAP SCREW

M14 X 30

2шт.

40

AT194457

SEAL KIT

(INCLUDES PARTS MARKED (A)) (SUB FOR TH103324)

1шт.

Выбрано товаров: 43