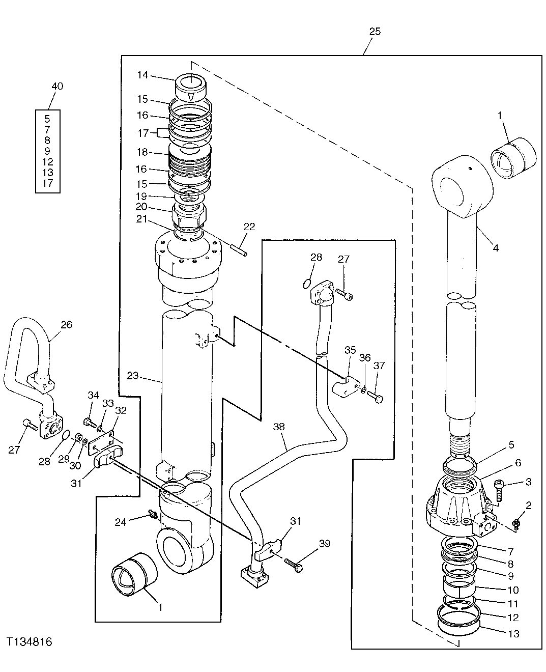
Запчасти John Deere 90 6 - RIGHT BOOM CYLINDER (790) 3360 - EXCAVATOR 33

Схема запчастей John Deere 90 - 6 - RIGHT BOOM CYLINDER (790) 3360 - EXCAVATOR 33
FIT
1:1
100%

Артикул

Название

Примечание

Количество

1

3054062

BUSHING

(SUB FOR TH102774) (ALSO ORDER (4) TH102445) (SUB FOR AT154689)

2шт.

2

0237418

BLEED VALVE

(SUB FOR TH102787)

1шт.

3

0224117

SCREW

(SUB FOR TH102773)

8шт.

4

0236922

ROD

(SUB FOR TH102763)

1шт.

5

SEAL

(A) ( TH102792 NO LONGER AVAILABLE)

1шт.

6

0236903

HYDR. CYLINDER ROD GUIDE

(SUB FOR TH102764)

1шт.

7

AT264349

BACK-UP RING

(A) (SUB FOR TH102791)

1шт.

8

SEAL

(A) ( TH102790 NO LONGER AVAILABLE)

1шт.

9

0151902

O-RING

(A) (SUB FOR TH102789)

1шт.

10

0236904

BUSHING

(SUB FOR TH102765)

1шт.

11

0236905

SNAP RING

(SUB FOR TH102766)

1шт.

12

0208508

BACK-UP RING

(A) (SUB FOR TH102794)

1шт.

13

TH102793

O-RING

(A)

1шт.

14

0236906

CUSHION

(SUB FOR TH102767)

1шт.

15

TH102797

RING

2шт.

16

4S00146

RING

(SUB FOR 0224107) (SUB FOR TH102796)

2шт.

17

TH102795

SEAL

(A)

1шт.

18

0236907

PISTON

(SUB FOR TH102768)

1шт.

19

0236909

SHIM

(SUB FOR TH102772)

1шт.

20

0236908

NUT

(SUB FOR TH102769)

1шт.

21

0237412

RING

(SUB FOR TH102771)

1шт.

22

0237411

PIN

8 X 94 MM, (SUB FOR TH102770)

1шт.

23

0236921

HYDRAULIC CYLINDER BARREL

(SUB FOR TH102762)

1шт.

24

TH100074

LUBRICATION FITTING

1шт.

25

AT264212

HYDRAULIC CYLINDER

(SUB FOR TH106315)

1шт.

26

0236910

TUBE

(SUB FOR TH102775)

1шт.

27

19M8395

SCREW

8шт.

28

AT264348

O-RING

(SUB FOR TH102788)

2шт.

29

14M7169

LOCK NUT

(SUB FOR TH102786)

1шт.

30

24M7085

WASHER

1шт.

31

0236915

HALF CLAMP

(SUB FOR TH102783)

2шт.

32

0236912

STRAP

(SUB FOR TH102780)

1шт.

33

12M7068

LOCK WASHER

(SUB FOR TH102782)

2шт.

34

19M5827

CAP SCREW

2шт.

35

0237416

HALF CLAMP

(SUB FOR TH102777)

1шт.

36

12M7058

LOCK WASHER

(SUB FOR TH102779) (SUB FOR 12M7067)

2шт.

37

19M7363

CAP SCREW

(SUB FOR 19M7273)

2шт.

38

0236911

TUBE

(SUB FOR TH102776)

1шт.

39

19M7291

CAP SCREW

1шт.

40

AT192076

SEAL KIT

(INCLUDES PARTS MARKED (A)) (SUB FOR TH102798)

1шт.

Выбрано товаров: 40