Запчасти John Deere 90 8 - RIGHT BOOM CYLINDER (792) 3360 - EXCAVATOR 33

Схема запчастей John Deere 90 - 8 - RIGHT BOOM CYLINDER (792) 3360 - EXCAVATOR 33
FIT
1:1
100%

Артикул

Название

Примечание

Количество

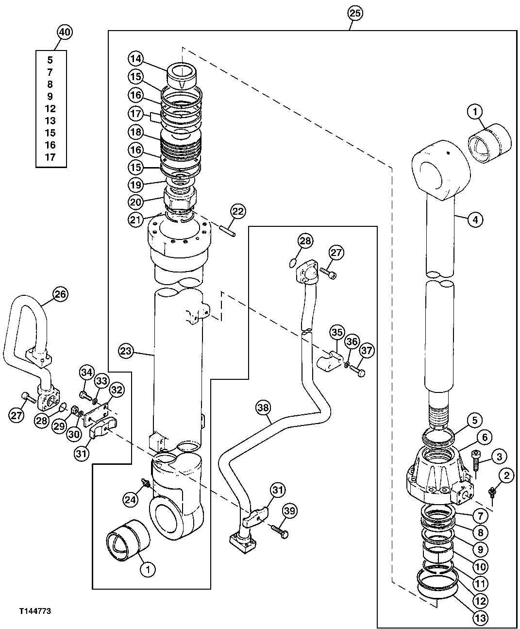
1

3036658

BUSHING

(SUB FOR TH103315) (ALSO ORDER (4) TH102411) (SUB FOR TH111166)

2шт.

2

0237418

BLEED VALVE

(SUB FOR TH102787)

1шт.

3

19M8630

SCREW

M24 X 80

8шт.

4

0236804

ROD

(SUB FOR TH103305)

1шт.

5

TH103323

SEAL

(A)

1шт.

6

0237103

HYDR. CYLINDER ROD GUIDE

(SUB FOR TH103306)

1шт.

7

TH103322

BACK-UP RING

(A)

1шт.

8

TH103321

SEAL

(A)

1шт.

9

TH103320

RING

(A)

1шт.

10

0237104

BUSHING

(SUB FOR TH103307)

1шт.

11

0208504

WEAR RING

(SUB FOR TH103308)

1шт.

12

TH102823

BACK-UP RING

(A)

1шт.

13

TH102822

O-RING

(A)

1шт.

14

0237105

CUSHION

(SUB FOR TH103309)

1шт.

15

TH102826

WEAR RING

(A)

2шт.

16

4S00147

RING

(A) (SUB FOR TH102825)

2шт.

17

TH102824

SEAL

(A)

1шт.

18

0237106

PISTON

(SUB FOR TH103310)

1шт.

19

0237107

SHIM

(SUB FOR TH103314)

1шт.

20

0224110

NUT

(SUB FOR TH103311)

1шт.

21

0224113

SNAP RING

(SUB FOR TH103313)

1шт.

22

0224111

PIN

(SUB FOR TH103312)

1шт.

23

0236803

HYDRAULIC CYLINDER BARREL

(SUB FOR TH103304)

1шт.

24

TH100074

LUBRICATION FITTING

1шт.

25

4190499

HYDRAULIC CYLINDER

(SUB FOR TH106312, AT264215)

1шт.

26

0236801

TUBE

(SUB FOR TH103316)

1шт.

27

19M8395

SCREW

M12 X 40

8шт.

28

AT264348

O-RING

(SUB FOR TH102788)

2шт.

29

14M7169

LOCK NUT

M14, (SUB FOR TH102786)

1шт.

30

24M7085

WASHER

15 X 28 X 2.500 MM

1шт.

31

0237112

HALF CLAMP

(USE WITH TH103523) (SUB FOR TH103319)

2шт.

0236915

HALF CLAMP

(USE WITH TH103317) (SUB FOR TH102783)

2шт.

32

0237111

STRAP

(USE WITH TH103523) (SUB FOR TH103318)

1шт.

0236912

STRAP

(USE WITH TH103317) (SUB FOR TH102780)

1шт.

33

12M7068

LOCK WASHER

14 MM, (SUB FOR TH102782)

2шт.

34

19M5827

CAP SCREW

M14 X 30

2шт.

35

0237416

HALF CLAMP

(SUB FOR TH102777)

1шт.

36

12M7058

LOCK WASHER

12 MM, (SUB FOR TH102779) (SUB FOR 12M7067)

2шт.

37

19M7363

CAP SCREW

M12 X 60, (SUB FOR 19M7273)

2шт.

38

0236802

TUBE

(SUB FOR TH103523) (ALSO ORDER TH103318 AND (2) TH103319) (SUB FOR TH103317)

1шт.

0236802

TUBE

(SUB FOR TH103317)

1шт.

39

19M7291

CAP SCREW

M14 X 90

1шт.

40

AT194457

SEAL KIT

(INCLUDES PARTS MARKED (A)) (SUB FOR TH103324)

1шт.

Выбрано товаров: 43