Качественные детали и логистика
Оригинальные и аналоговые запчасти с доставкой по России, Казахстану и Беларуси
©2022 PartSell ООО "Система" ИНН 2463123282 ОГРН 1212400004838
Центральный офис: г. Красноярск, Академика Киренского, д.87, пом.4
Телефон: 8 (800) 777-65-74 Email: zakaz@partsell.ru
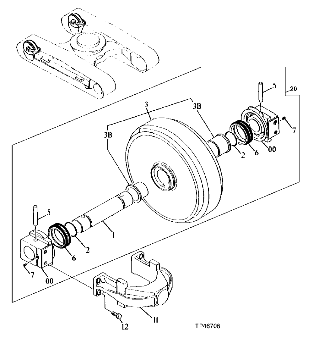
20 - REPLACEMENT FRONT IDLER
№
Артикул
Название
Примечание
Количество
0
2021767
BEARING
(SUB FOR TH109729)
2шт.
1021805
(SUB FOR AT213727)
1
3033488
AXLE
(SUB FOR TH109730)
1шт.
3070162
(SUB FOR AT213765)
2
CH14671
PACKING
3
9143401
ROLLER
(SUB FOR AT131260) (SUB FOR AT172700)
9134157
IDLER SPROCKET
(SUB FOR AT214384)
3B
3056834
BUSHING
(SUB FOR AT131262)
3069749
(SUB FOR AT213763)
5
4126209
PIN
(SUB FOR TH100432)
6
TH100433
SEAL
7
94-2011
FITTING PLUG
(SUB FOR TH100434)
11
1014036
YOKE
(SUB FOR AT154628)
12
19M8035
CAP SCREW
M16 X 35
8шт.
20
9143400
(SUB FOR AT172699)
Выбрано товаров: 0