Запчасти John Deere 90 24 - UPPER ROLLER 130 - TRACKS 1

Схема запчастей John Deere 90 - 24 - UPPER ROLLER 130 - TRACKS 1
FIT
1:1
100%

Артикул

Название

Примечание

Количество

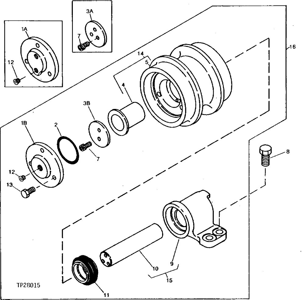
1A

COVER

(SUB TH108091 IF AVAILABLE)

1шт.

1B

COVER

(USE TH108091 IF AVAILABLE)

1шт.

2

CH17154

PACKING

(SUB FOR TH102348)

1шт.

3A

TH102346

WASHER

1шт.

3B

WASHER

( TH108090 NO LONGER AVAILABLE) (USE WITH TH107983 ROLLER)

1шт.

4282842

WASHER

(SUB FOR AT131375)

1шт.

4

BUSHING

(SUB TH102342 IF AVAILABLE)

1шт.

4172348

BUSHING

(SUB FOR TH108089)

1шт.

5

ROLLER

(SUB TH102342 IF AVAILABLE)

1шт.

7

0362709

BOLT

(SUB FOR TH102347)

3шт.

TH100454

SCREW

M8 X 14, (USE WITH TH107983 ROLLER)

2шт.

M351018

BOLT

(SUB FOR AT131372)

2шт.

8

19M7488

CAP SCREW

M16 X 40

16шт.

9

BRACKET

(NO LONGER AVAILABLE FOR SERVICE)

1шт.

10

SHAFT

(NO LONGER AVAILABLE FOR SERVICE)

1шт.

4171187

SHAFT

(SUB FOR TH108087)

1шт.

11

4317584

SEAL

(SUB FOR TH111221 OR TH102345) (SUB FOR AT213828)

1шт.

12

94-2011

FITTING PLUG

(SUB FOR TH100434)

2шт.

94-2011

FITTING PLUG

(SUB FOR TH100434)

1шт.

13

19M8761

SCREW

M10 X 22, (SUB FOR TH100456)

3шт.

14

TH102342

ROLLER

(USE IF AVAILABLE)

1шт.

15

AP34667

ROLLER

(ALSO ORDER (4) 19M8295 AND 4334245) ( 9074474 NO LONGER AVAILABLE)

1шт.

16

ROLLER

(SUB FOR TH107983) ( 9105751 NO LONGER AVAILABLE) (SUB AP34667, ALONG WITH (4) 19M8295 AND 4334245)

4шт.

Выбрано товаров: 0