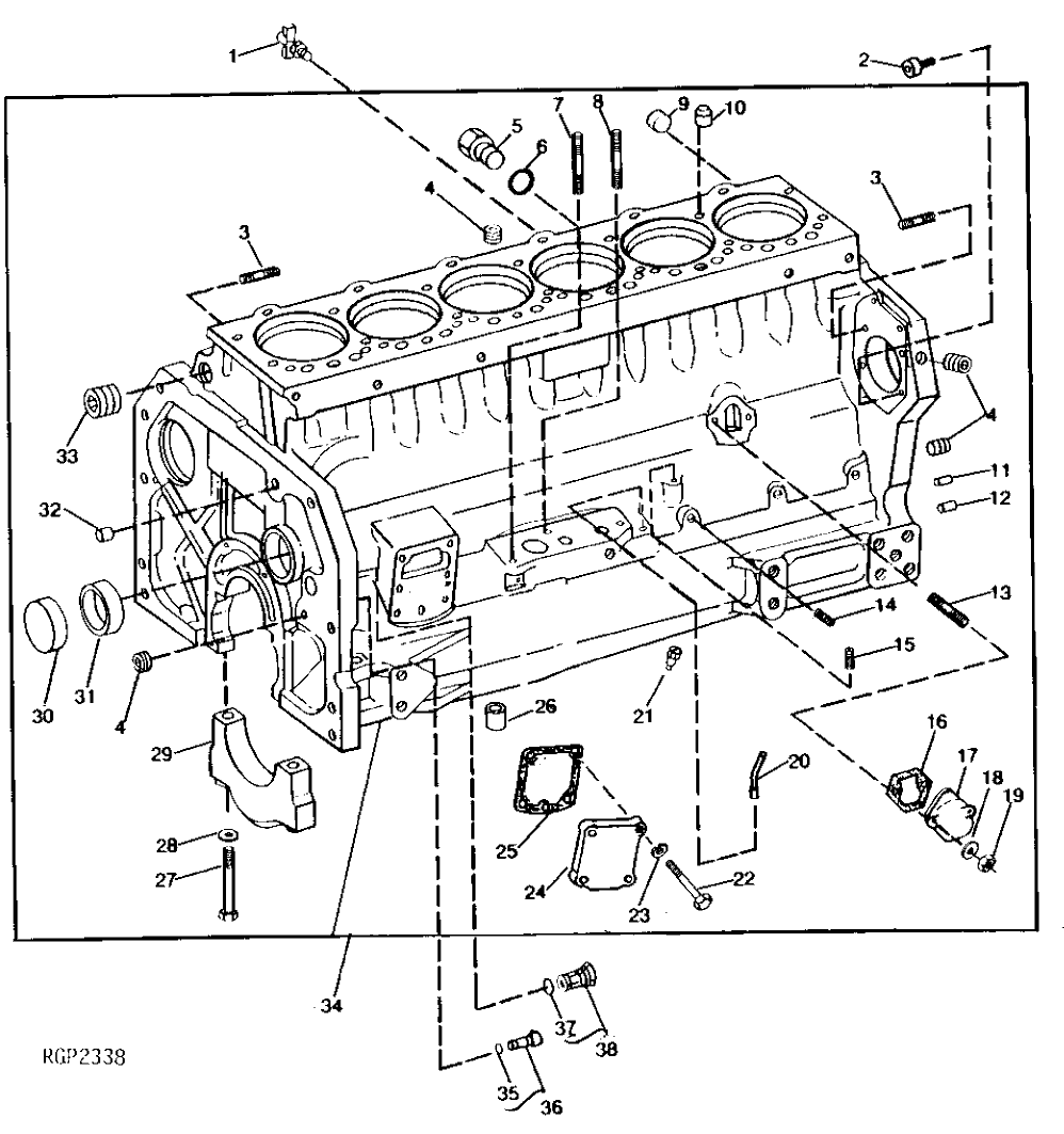
Запчасти John Deere 90 2 - CYLINDER BLOCK, FITTINGS AND MAIN BEARING CAPS 404 - ENGINE 4

Схема запчастей John Deere 90 - 2 - CYLINDER BLOCK, FITTINGS AND MAIN BEARING CAPS 404 - ENGINE 4
FIT
1:1
100%

Артикул

Название

Примечание

Количество

1

AT13740

DRAIN VALVE

1шт.

2

22H776

SET SCREW

5/16" X 7/16"

3шт.

3

R114130

STUD

(SUB FOR R55396, THIS APPLICATION)

5шт.

4

RE57836

PIPE PLUG

1/2", (SUB FOR 15H624)

5шт.

5

R39741

DRAIN PLUG

1шт.

6

U13639

O-RING

1шт.

7

R106859

STUD

(SUB FOR F3646R OR R26622, THIS APPLICATION)

1шт.

8

R55395

STUD

1шт.

9

15H690

PIPE PLUG

3/4", (SUB FOR AR72318)

1шт.

10

R42340

BUSHING

2шт.

11

R1612R

DOWEL PIN

2шт.

12

F1743R

DOWEL PIN

2шт.

13

R48755

STUD

2шт.

14

R104592

PIPE PLUG

(SUB FOR R21630, THIS APPLICATION)

5шт.

15

R104592

PIPE PLUG

1шт.

16

R520618

GASKET

(SUB FOR R97350, R27285)

1шт.

17

R27286

COVER

1шт.

18

12H303

LOCK WASHER

5/16"

2шт.

19

14H785

NUT

5/16"

2шт.

20

AR71850

DIPSTICK TUBE

1шт.

DIPSTICK TUBE

1шт.

21

R43621

ORIFICE

6шт.

22

19H1936

CAP SCREW

3/8" X 3/4"

4шт.

23

12H304

LOCK WASHER

3/8", (NO LONGER REQUIRED)

4шт.

24

R69135

COVER

1шт.

25

R62410

GASKET

1шт.

26

R62930

BUSHING

2шт.

27

R42365

BOLT

14шт.

28

R70268

WASHER

(SUB FOR R42363)

14шт.

29

R57158

BEARING CAP

(MAIN)

6шт.

R57159

BEARING CAP

(MAIN THRUST)

1шт.

30

R26115

PLUG

1шт.

31

R46903

BUSHING

1шт.

32

R61288

DOWEL PIN

1шт.

33

15H686

PIPE PLUG

1"

1шт.

34

AR100634

CYLINDER BLOCK

(MARKED R71685, R71688 OR R80481) (SUB RE65069)

1шт.

RE28305

CYLINDER BLOCK

(MARKED R87555 OR R87556) (SUB FOR AR96200 OR AR100634) (SUB RE65069)

1шт.

RE60437

CYLINDER BLOCK

(MARKED R122733) (SUB RE65069)

1шт.

RE65069

SHORT BLOCK ASSEMBLY

(SUB SE500058)

1шт.

35

A4365R

O-RING

1шт.

36

AR61589

PLUG

1шт.

37

R27149

O-RING

1шт.

38

AR61533

PLUG

1шт.

Выбрано товаров: 43