Запчасти John Deere 90 6 - ENGINE SHORT BLOCK (GEAR DRIVEN WATER PUMP) 404 - ENGINE 4

Схема запчастей John Deere 90 - 6 - ENGINE SHORT BLOCK (GEAR DRIVEN WATER PUMP) 404 - ENGINE 4
FIT
1:1
100%

Артикул

Название

Примечание

Количество

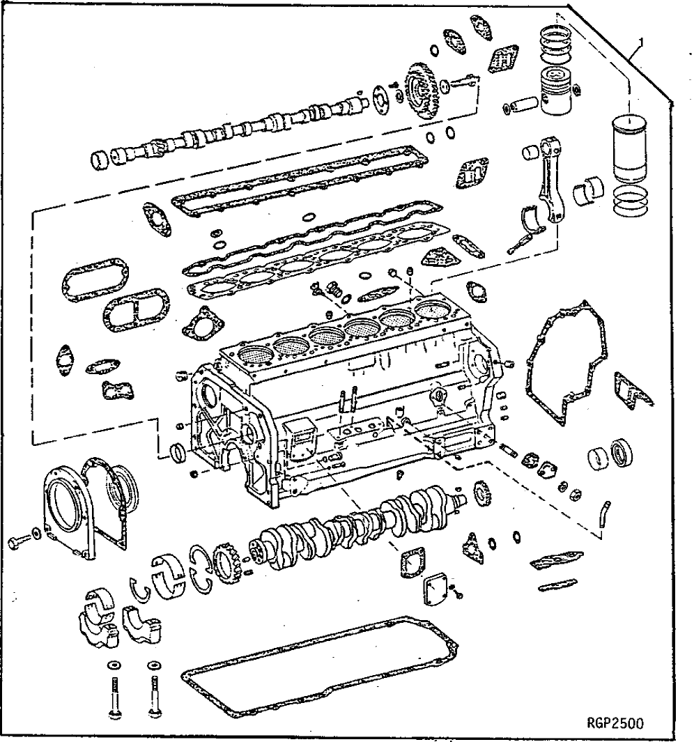
1

AR100374

SHORT BLOCK ASSEMBLY

(MARKED R71685, R71688 OR R80481) (SUB FOR AR94830) (SUB RE65069)

1шт.

RE28288

SHORT BLOCK ASSEMBLY

(MARKED R87555 OR R87556) (SUB RE65069)

1шт.

RE53369

SHORT BLOCK ASSEMBLY

(MARKED R87555) (SUB RE65069) (CRANKSHAFT MARKED RE53203)

1шт.

RE60436

SHORT BLOCK ASSEMBLY

(MARKED R122733) (SUB RE65069)

1шт.

2

SE500142

DIESEL ENGINE

(A) (NOT SHOWN) (790) (COMPLETE) (REMAN)

1шт.

SE500058

BASIC DIESEL ENGINE

(A) (NOT SHOWN) (790, 792) (BASIC) (REMAN)

1шт.

Выбрано товаров: 6