Запчасти John Deere 90 4 - FUEL INJECTION PUMP AND LUBE LINES 413 - ENGINE 4

Схема запчастей John Deere 90 - 4 - FUEL INJECTION PUMP AND LUBE LINES 413 - ENGINE 4
FIT
1:1
100%

Артикул

Название

Примечание

Количество

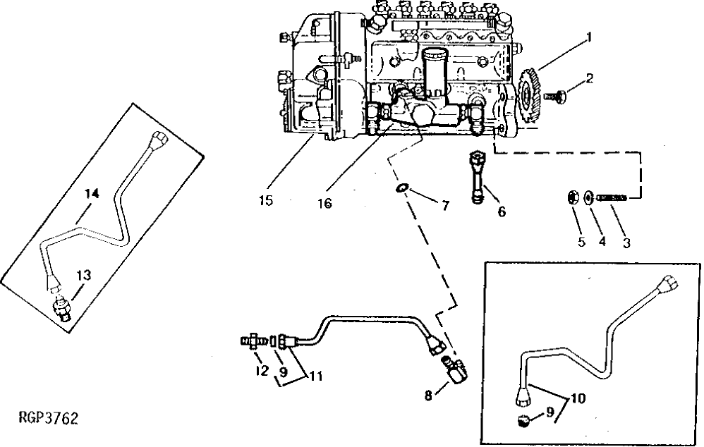
1

R68274

GEAR

(SUB FOR AR88905, THIS APPLICATION)

1шт.

2

AR59115

SELF-LOCKING SCREW

3/8" X 0.870", (SUB 19H3336 AND R63845)

3шт.

19H3336

SCREW

3/8" X 7/8"

3шт.

R63845

WASHER

3шт.

3

R114130

STUD

(SUB FOR R55396, THIS APPLICATION)

4шт.

4

M72490

WASHER

(SUB FOR R42729)

4шт.

5

14H1090

NUT

3/8", (SUB FOR R32511 OR E55662, THIS APPLICATION)

4шт.

6

RE16302

FITTING

1шт.

7

R79060

O-RING

1шт.

8

AR26746

ELBOW FITTING

1шт.

9

R67264

PACKING

1шт.

10

RE38732

OIL LINE

(SUB FOR AR91012 OR RE33486)

1шт.

11

RE49899

OIL LINE

1шт.

12

R76822

FITTING

(USE WITH RE33486, RE38732 OR RE49899)

1шт.

13

R39832

ADAPTER FITTING

(USE WITH AR91012)

1шт.

14

AR91012

LINE

(SUB RE38732 AND R76822, THIS APPLICATION)

1шт.

15

RE16219

FUEL INJECTION PUMP

(A) (ROBERT BOSCH) (SUB RE23754)

1шт.

RE23927

FUEL INJECTION PUMP

(A) (ROBERT BOSCH) (SUB RE23754)

1шт.

RE23754

FUEL INJECTION PUMP

(A) (B) (ROBERT BOSCH) (SUB FOR RE16219 OR RE23927) (SUB RE29233, T82383 AND (2) 19M8731)

1шт.

RE44344

FUEL INJECTION PUMP

(A) (ROBERT BOSCH PES6A100D410R52676-01) (ALSO ORDER T82383 AND (2) 19M8731) (SUB FOR RE29233)

1шт.

SE500148

FUEL INJECTION PUMP

(REMANUFACTURED)

1шт.

RE16221

FUEL INJECTION PUMP

(A) (ROBERT BOSCH) (SUB RE28030)

1шт.

RE28036

FUEL INJECTION PUMP

(A) (B) (ROBERT BOSCH) (SUB FOR RE16221) (ALSO ORDER R53899 AND (2) 51M4237) (SUB RE28030 AND R81295)

1шт.

RE28030

FUEL INJECTION PUMP

(A) (B) (ROBERT BOSCH) (SUB FOR RE28036) (ALSO ORDER R81295, 19M8731, R53899 AND (2) 51M4237)

1шт.

SE500150

FUEL INJECTION PUMP

(A) (REMANUFACTURED FOR RE16219)

1шт.

SE500151

FUEL INJECTION PUMP

(A) (REMANUFACTURED FOR RE23747)

1шт.

16

FUEL PUMP

(SUB RE20042, AR104674 AND RE10258)

1шт.

Выбрано товаров: 27