Запчасти John Deere 90 8 - FUEL INJECTION PUMP HOUSING CONNECTORS 413 - ENGINE 4

Схема запчастей John Deere 90 - 8 - FUEL INJECTION PUMP HOUSING CONNECTORS 413 - ENGINE 4
FIT
1:1
100%

Артикул

Название

Примечание

Количество

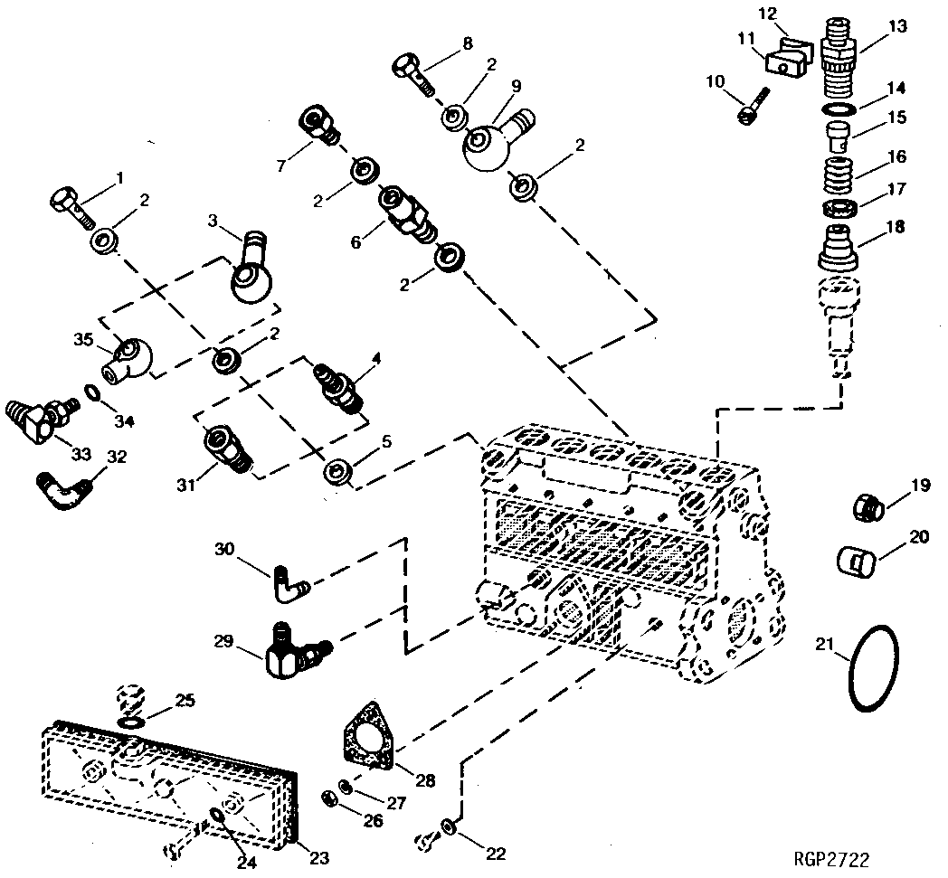
1

R53903

HOLLOW SCREW

1шт.

2

51M4237

SEALING RING

(SUB FOR R53901)

4шт.

51M4237

SEALING RING

(SUB FOR R53901)

2шт.

3

R53902

FUEL SUPPLY BANJO FITTING

(USE WITH AR98069)

1шт.

4

R83490

FITTING

(USE WITH RE23155, RE35246, RE28950 OR RE37340)

1шт.

5

R53899

WASHER

(USE WITH AR98069)

1шт.

6

AR77114

CONTROL VALVE

1шт.

7

R63016

ADAPTER FITTING

1шт.

8

R69626

BOLT

NAшт.

R53903

HOLLOW SCREW

NAшт.

9

R69627

FUEL SUPPLY BANJO FITTING

NAшт.

R58608

FUEL SUPPLY BANJO FITTING

NAшт.

10

R54859

SCREW

3шт.

11

R54857

JAW

3шт.

12

R54858

JAW

3шт.

13

R63065

HOLDER

6шт.

NOZZLE HOLDER

NAшт.

14

R54856

O-RING

6шт.

15

R54881

INSERT

6шт.

16

R54854

SPRING

6шт.

17

R54853

SHIM

6шт.

18

RE16360

VALVE

6шт.

19

AR69158

CAP

1шт.

20

R54928

NUT

NAшт.

21

R54873

O-RING

1шт.

22

R62107

WASHER

1шт.

23

R68435

GASKET

1шт.

24

R67877

O-RING

2шт.

25

R54004

WASHER

NAшт.

26

T31556

NUT

3шт.

27

T24229

LOCK WASHER

3шт.

28

R67879

GASKET

1шт.

29

FITTING

NAшт.

30

R57641

ELBOW FITTING

NAшт.

31

R53900

ADAPTER FITTING

1шт.

32

FITTING

NAшт.

33

FITTING

NAшт.

34

O-RING

NAшт.

35

R53162

FUEL SUPPLY BANJO FITTING

(USE WITH AR94247)

NAшт.

Выбрано товаров: 39