Запчасти John Deere 90 1 - STARTING MOTOR (24 VOLT) (DENSO 02800005250 OR 5251) (ENGINE SERIAL NO. -354706) 422 - ENGINE 4

Схема запчастей John Deere 90 - 1 - STARTING MOTOR (24 VOLT) (DENSO 02800005250 OR 5251) (ENGINE SERIAL NO. -354706) 422 - ENGINE 4
FIT
1:1
100%

Артикул

Название

Примечание

Количество

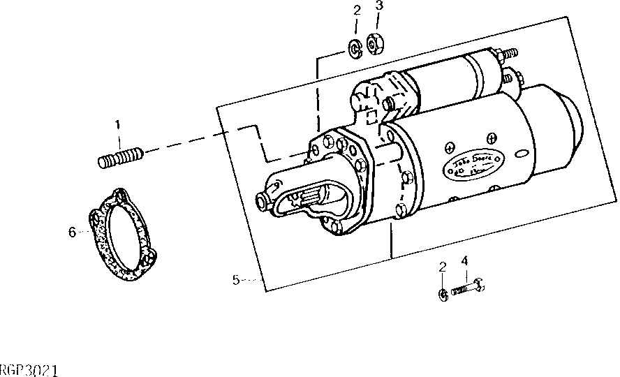
1

R515224

STUD

(SUB FOR R55396, THIS APPLICATION) (SUB FOR R114130)

1шт.

2

12H304

LOCK WASHER

3/8", (NOT REQUIRED WITH E55662)

3шт.

3

E55662

FLANGE NUT

1шт.

4

19H3219

CAP SCREW

3/8" X 1-3/8"

2шт.

5

AR84333

STARTER MOTOR

(DENSO 028000-5250) (SUB TY25964)

1шт.

RE15663

STARTER MOTOR

(DENSO 028000-5251) (SUB TY25964)

1шт.

TY25964

STARTER MOTOR

REMANUFACTURED (DENSO 9702800-525)

1шт.

RE38369

STARTER MOTOR

(DENSO 128000-7170) (SUB TY25969)

1шт.

SE501418

STARTER MOTOR

(REMANUFACTURED FOR TY25964)

1шт.

SE501423

STARTER MOTOR

(REMANUFACTURED FOR TY25969)

1шт.

6

R53108

GASKET

1шт.

Выбрано товаров: 11