Запчасти John Deere 90 5 - STARTER SOLENOID SWITCH (24 VOLT) (DENSO NO. 028000-5250 OR 5251) (ENGINE SERIAL NO. -354706) 422 - ENGINE 4

Схема запчастей John Deere 90 - 5 - STARTER SOLENOID SWITCH (24 VOLT) (DENSO NO. 028000-5250 OR 5251) (ENGINE SERIAL NO. -354706) 422 - ENGINE 4
FIT
1:1
100%

Артикул

Название

Примечание

Количество

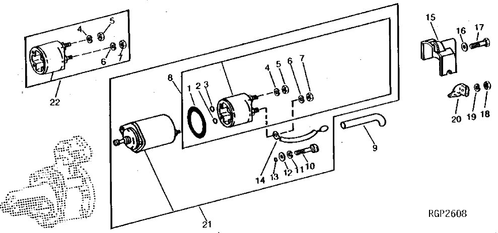
1

R68224

GASKET

1шт.

2

R56792

WASHER

1шт.

3

R56793

SHIM

1шт.

4

12H315

LOCK WASHER

0.164"

1шт.

5

R51671

NUT

1шт.

6

12H246

LOCK WASHER

0.190"

1шт.

7

14H631

NUT

0.190"

1шт.

8

AR84334

COVER

(A) (SUB RE20872)

1шт.

9

R68222

BOOT

1шт.

10

R51669

SCREW

2шт.

11

24H1305

WASHER

13/32" X 13/16" X 0.065"

2шт.

12

12H302

LOCK WASHER

1/4"

2шт.

13

R50894

O-RING

(ORDER RE15661)

2шт.

14

RE15058

WIRE

(SUB FOR AR55949)

1шт.

15

R76139

COVER

(A) (SUB RE39064) (SUB FOR R68225)

1шт.

16

R51662

WASHER

1шт.

17

AR55946

SCREW

(A)

1шт.

18

14H971

NUT

1/2"

1шт.

19

R50899

LOCK WASHER

1шт.

20

R50910

ELECTRICAL CONNECTOR ASSY

(DENSO 028172-0381)

1шт.

21

RE15661

SOLENOID

(A) (DENSO 053400-6050) (SUB FOR AR84336)

1шт.

22

RE20872

COVER

(B)

1шт.

Выбрано товаров: 0