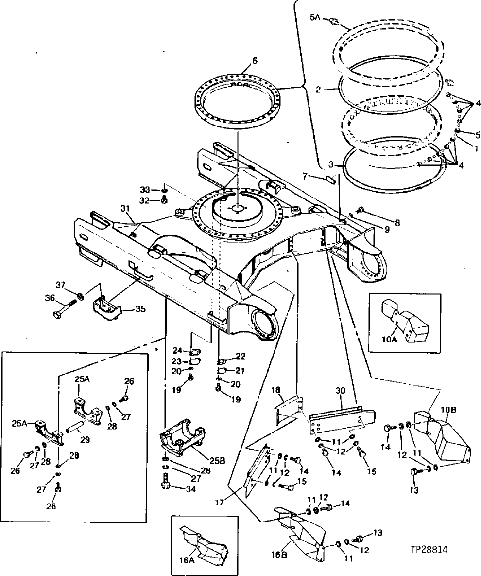
Запчасти John Deere 90 4 - TRACK FRAME 1740 - FRAMES, CHASSIS OR SUPPORTING STRUCTURE 17

Схема запчастей John Deere 90 - 4 - TRACK FRAME 1740 - FRAMES, CHASSIS OR SUPPORTING STRUCTURE 17
FIT
1:1
100%

Артикул

Название

Примечание

Количество

1

4355766

BALL

(SUB FOR TH102257 OR TH103076) (SUB FOR AT174890) (DISCARD UNUSED BALLS)

98шт.

4355766

BALL

(SUB FOR TH103076) (SUB FOR AT174890)

98шт.

2

SEAL

INNER (MAKE FROM T191211 CUT TO LENGTH) (SUB FOR TH108166 OR AT131732) (ALSO ORDER TY21517 AND AT66866) (SUB FOR AT131484)

1шт.

TY21517

ADHESIVE

(NOT ILLUSTRATED)

ARшт.

AT66866

FLUID

(NOT ILLUSTRATED)

ARшт.

3

SEAL

OUTER (MAKE FROM T191211 CUT TO LENGTH) (SUB FOR TH108166 AND AT131484) (ALSO ORDER TY21517 AND AT66866) (SUB FOR AT131732)

1шт.

TY21517

ADHESIVE

(NOT ILLUSTRATED)

ARшт.

AT66866

FLUID

(NOT ILLUSTRATED)

ARшт.

4

4134900

SPACER

(SUB FOR TH102260)

77шт.

4134900

SPACER

(SUB FOR TH102260)

88шт.

5

4134901

SPACER

(SUB FOR TH102261)

13шт.

4134901

SPACER

(SUB FOR TH102261)

10шт.

5A

TH100074

LUBRICATION FITTING

2шт.

6

9049241EX

ROLLER

(USE TH102256 IF AVAILABLE) (SUB FOR TH102256) (SUB FOR AT190769)

1шт.

9049208

SWING BEARING

(SUB FOR TH103075)

1шт.

7

4147872

STRAP

(SUB FOR TH102273)

4шт.

8

19M7488

CAP SCREW

M16 X 40, (SUB FOR TH101772)

8шт.

9

12H294

LOCK WASHER

15.875 MM (5/8") (SUB FOR TH100466)

8шт.

10A

7015981

COVER

(SUB FOR TH102266) (SUB TH103535, ALONG WITH (2) 19M7872 AND (2) 4175219)

1шт.

7016321

COVER

(SUB FOR TH103081) (SUB TH103538, ALONG WITH 19M7872 AND 4175219)

1шт.

10B

7015981

COVER

(SUB FOR TH103535)

1шт.

7016321

COVER

(SUB FOR TH103538)

1шт.

11

24H1748

WASHER

12.700 X 31.750 X 2.667 MM (1/2" X 1-1/4" X 0.105") (SUB FOR TH101254)

20шт.

12

12H301

LOCK WASHER

12.700 MM (1/2") (SUB FOR TH100413)

20шт.

13

19M7493

CAP SCREW

M12 X 40

4шт.

19M7493

CAP SCREW

M12 X 40

4шт.

19M7872

CAP SCREW

M12 X 25

4шт.

19M7872

CAP SCREW

M12 X 25

4шт.

14

19M7872

CAP SCREW

M12 X 25

12шт.

15

19M7363

CAP SCREW

M12 X 60, (SUB FOR TH101985)

4шт.

16A

7015982

COVER

(SUB FOR TH102267) (SUB TH103536 ALONG WITH (2) 19M7872 AND (2) TH103537)

1шт.

7016320

COVER

(SUB FOR TH103082) (SUB TH103539, ALONG WITH 19M7872 AND TH103537)

1шт.

16B

7015982

COVER

(SUB FOR TH103536)

1шт.

7016320

COVER

(SUB FOR TH103539)

1шт.

17

8029204

COVER

(SUB FOR TH102269)

1шт.

8029164

COVER

(SUB FOR TH103084)

1шт.

18

3029189

COVER

(SUB FOR TH102270) STANDARD TRACK

1шт.

3029190

COVER

(SUB FOR TH102275) LONG CARRIAGE TRACK

1шт.

3029168

COVER

(SUB FOR TH103085) STANDARD TRACK

1шт.

3029188

COVER

(SUB FOR TH103089) LONG CARRIAGE TRACK

1шт.

19

19M7938

CAP SCREW

M10 X 20

4шт.

20

12M7066

LOCK WASHER

10 MM (0.394") (SUB FOR TH100417)

4шт.

21

4128863

PLATE

(SUB FOR TH102264)

1шт.

22

4150603

PACKING

(SUB FOR TH102265)

1шт.

23

4013896

COVER

(SUB FOR TH100633)

1шт.

24

4157713

GASKET

(SUB FOR TH102263 OR AT280905 OR 4510901)

1шт.

25A

7019768

GUARD

(SUB FOR TH111693) (ALSO ORDER (4) 4228705) (SUB FOR 8027296)

4шт.

7019767

GUARD

(SUB FOR TH111691) (ALSO ORDER (4) TH111692) (SUB FOR 8027760)

4шт.

25B

7019768

GUARD

(SUB FOR TH111693)

2шт.

7019767

GUARD

(SUB FOR TH111691)

2шт.

26

TY21517

ADHESIVE

(NOT ILLUSTRATED)

1шт.

Выбрано товаров: 51