Запчасти John Deere 90 6 - TRACK FRAME 1740 - FRAMES, CHASSIS OR SUPPORTING STRUCTURE 17

Схема запчастей John Deere 90 - 6 - TRACK FRAME 1740 - FRAMES, CHASSIS OR SUPPORTING STRUCTURE 17
FIT
1:1
100%

Артикул

Название

Примечание

Количество

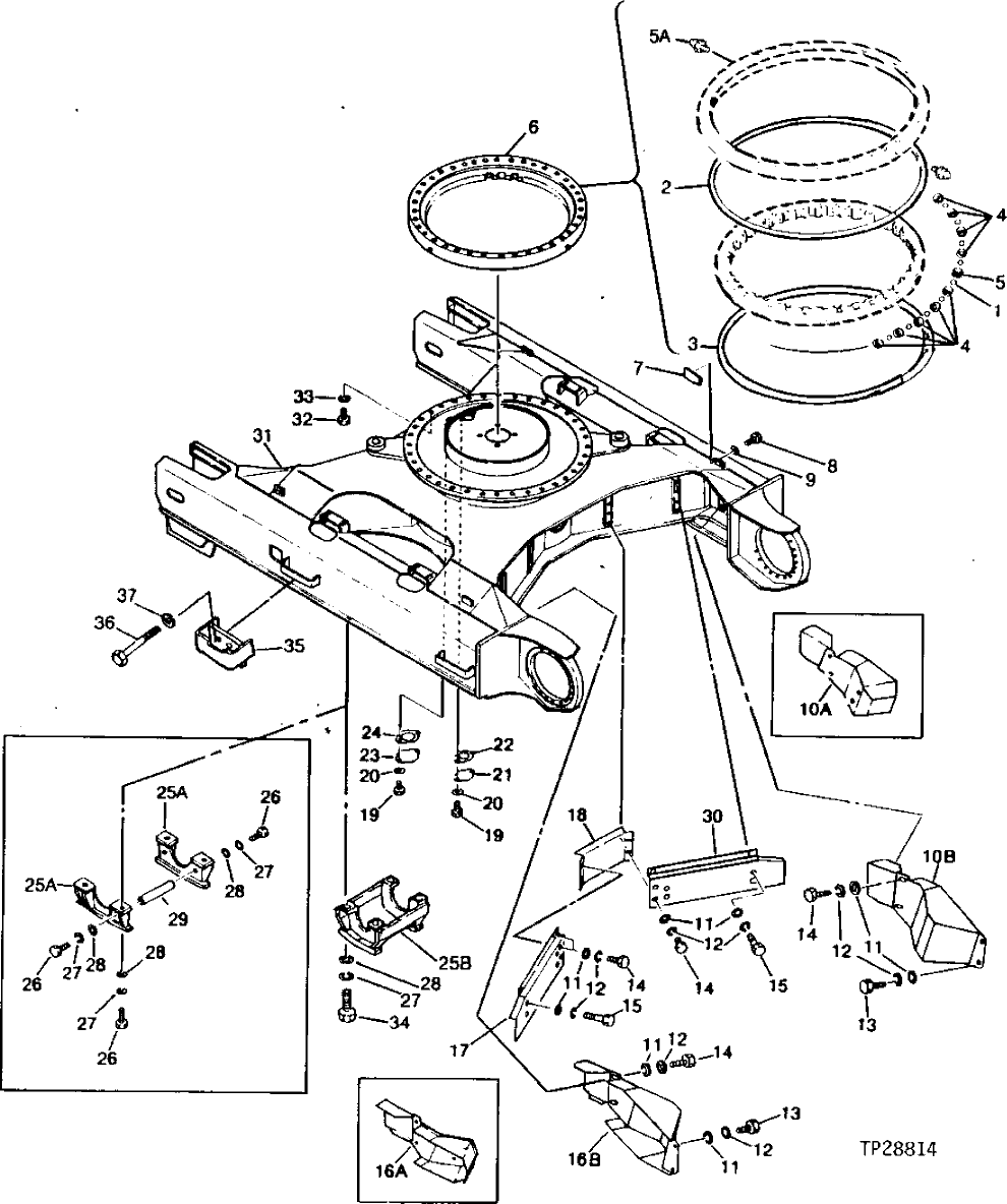
26

19M7489

CAP SCREW

M16 X 45

16шт.

19M7597

CAP SCREW

M20 X 50, (SUB FOR TH100345)

16шт.

27

12H294

LOCK WASHER

5/8", (SUB FOR TH100466)

16шт.

12H294

LOCK WASHER

5/8"

8шт.

12M7070

LOCK WASHER

20 MM

16шт.

12M7070

LOCK WASHER

20 MM

8шт.

28

4114405

WASHER

(SUB FOR TH101105)

16шт.

4114405

WASHER

(SUB FOR TH101105)

8шт.

N231749

WASHER

(SUB FOR TH102927 OR T33089)

16шт.

29

7019768

GUARD

(SUB FOR TH111693) (ALSO ORDER (4) 4228705) (SUB FOR 4150834)

4шт.

7019767

GUARD

(SUB FOR 7019767) (ALSO ORDER (4) TH111692) (SUB FOR 4150835)

4шт.

30

8029203

COVER

(SUB FOR TH102268)

1шт.

8029163

COVER

(SUB FOR TH103083)

1шт.

31

5001875

FRAME

(SUB FOR TH102255) STANDARD TRACK

1шт.

5001876

FRAME

(SUB FOR TH102274) LONG CARRIAGE TRACK

1шт.

5001877

FRAME

(SUB FOR TH103074) STANDARD TRACK

1шт.

5001878

FRAME

(SUB FOR TH103088) LONG CARRIAGE TRACK

1шт.

32

THM122275

BOLT

(SUB FOR TH102262)

36шт.

J832480

BOLT

(SUB FOR TH103079)

36шт.

33

12H245

LOCK WASHER

(SUB FOR TH101871) (SUB FOR 12H352)

36шт.

12H234

LOCK WASHER

1", (SUB FOR TH103080)

36шт.

34

4228705

CAP SCREW

(SUB FOR TH111694)

8шт.

TH111692

CAP SCREW

8шт.

35

9720608

STEP

(SUB FOR TH101366)

4шт.

36

19M8011

CAP SCREW

M12 X 30

8шт.

37

12H301

LOCK WASHER

1/2"

8шт.

Выбрано товаров: 26