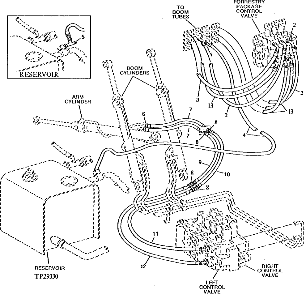
Запчасти John Deere 90D 114 - FORESTRY VALVE, ARM CYLINDER AND SAW MOTOR DRAIN HOSES 3360 - EXCAVATOR 33

Схема запчастей John Deere 90D - 114 - FORESTRY VALVE, ARM CYLINDER AND SAW MOTOR DRAIN HOSES 3360 - EXCAVATOR 33
FIT
1:1
100%

Артикул

Название

Примечание

Количество

1

T59014

O-RING

7шт.

R29424

FLANGE FITTING

14шт.

19H3239

CAP SCREW

3/8" X 1-1/4"

28шт.

2

R29936

O-RING

ADAPTER TO VALVE

6шт.

38H1194

ADAPTER FITTING

6шт.

T77858

O-RING

HOSE TO ADAPTER

6шт.

3

AT125608

HYDRAULIC HOSE - FABRICATE

3шт.

4

AT125607

HYDRAULIC HOSE - FABRICATE

1шт.

5

TEE FITTING

( AT43903 NO LONGER REQUIRED)

1шт.

6

T77858

O-RING

(SUB FOR TH108349)

2шт.

7

AT108793

HYDRAULIC HOSE - FABRICATE

2шт.

8

R47876

FITTING

4шт.

H63228

LOCK NUT

ADAPTER TO BULKHEAD

4шт.

9

AT108792

HYDRAULIC HOSE - FABRICATE

(SUB FOR AT108791)

1шт.

10

AT108792

HYDRAULIC HOSE - FABRICATE

1шт.

11

AT108796

HYDRAULIC HOSE - FABRICATE

1шт.

12

AT108795

HOSE

1шт.

Выбрано товаров: 17