Запчасти John Deere 90D 12 - SWING MOTOR (SERIAL NO. 007787- ) 4360 - SWING, ROTATION OR PIVOTING SYSTEM 43

Схема запчастей John Deere 90D - 12 - SWING MOTOR (SERIAL NO. 007787- ) 4360 - SWING, ROTATION OR PIVOTING SYSTEM 43
FIT
1:1
100%

Артикул

Название

Примечание

Количество

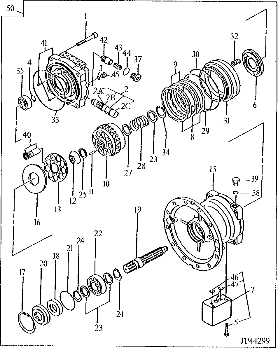
1

0365318

SCREW

(SUB FOR AT128294)

4шт.

2

0365304

RELIEF VALVE

(SUB FOR AT128280)

2шт.

2A

A811030

O-RING

29.400 X 3.100 MM (1.157" X 0.122") (SUB FOR TH101300)

1шт.

2B

4284569

BACK-UP RING

(SUB FOR TH112261) (SUB FOR AT168851)

1шт.

2C

4269433

CAP

(SUB FOR AT134342)

1шт.

3

M800650

PACKING

2шт.

4

40M7195

SNAP RING

(SUB FOR TH112048) (SUB FOR 40M1828)

1шт.

5

19M7685

CAP SCREW

M6 X 70

3шт.

6

0365315

PLATE

(SUB FOR AT128291)

1шт.

7

0365303

FLOW CONTROL HYD. VALVE

(SUB FOR TH112031)

1шт.

8

0365333

PLATE

(SUB FOR AT128305)

3шт.

9

0365332

PLATE

(SUB FOR AT128304)

2шт.

10

0365307

CYLINDER

(SUB FOR AT128283)

1шт.

11

0365310

PIN

(SUB FOR AT128286)

12шт.

12

0365308

BUSHING

(SUB FOR AT128284)

1шт.

13

0365313

PRESSED FLANGED HOUSING

(SUB FOR AT128289)

1шт.

15

0365316

HOUSING

(SUB FOR AT128292)

1шт.

16

0365314

WASHER

64 X 140 X 8 MM (2.520" X 5.512" X 0.315") (SUB FOR AT128290)

1шт.

17

40M7118

SNAP RING

(SUB FOR AT128296)

1шт.

18

0353318

SEAL

(SUB FOR AT128301) (SUB FOR AT132386)

1шт.

19

0365305

SHAFT

(SUB FOR AT128281)

1шт.

20

0365317

COVER

(SUB FOR AT128293)

1шт.

21

AT264319

O-RING

99.400 X 3.100 MM (3.913" X 0.122") (SUB FOR AT128299, T110447)

1шт.

22

0365323

CYLINDRICAL ROLLER BEARING

(SUB FOR AT128298)

1шт.

23

0365312

WASHER

45 X 57 X 3 MM (1.772" X 2.244" X 0.118") (SUB FOR AT128282) (SUB FOR AT128288)

3шт.

24

40M7047

SNAP RING

(SUB FOR AT128295)

2шт.

25

0365311

WASHER

43 X 54 X 1.500 MM (1.693" X 2.126" X 0.059") (SUB FOR AT128287)

1шт.

27

0365312

WASHER

45 X 57 X 3 MM (1.772" X 2.244" X 0.118") (SUB FOR AT128288)

1шт.

28

0365309

SPRING

(SUB FOR AT128285)

1шт.

29

4S00219

O-RING

(SUB FOR AT128303)

1шт.

30

0308623

O-RING

209.144 X 3.531 MM (8.234" X 0.139") (SUB FOR TH109953)

1шт.

31

0365329

PISTON

(SUB FOR AT128302)

1шт.

32

0365331

SPRING

(SUB FOR TH112060)

20шт.

33

4S00614

O-RING

(SUB FOR AT128300 OR U42016, THIS APPLICATION) (SUB FOR AT130912, AT130950, 4S00205, AT132162, 0125431 OR 4323631)

1шт.

34

40M7201

SNAP RING

1шт.

35

0365324

BEARING

(SUB FOR TH112052)

1шт.

37

15M7027

DRAIN PLUG

(SUB FOR TH102651)

2шт.

38

M800650

PACKING

1шт.

39

0236014

FITTING PLUG

(SUB FOR TH102650)

1шт.

40

0365301

PISTON

(SUB FOR AT128278)

9шт.

41

0365302

HOUSING

(SUB FOR AT128279)

1шт.

42

0236006

PLUNGER

(SUB FOR TH102635)

2шт.

43

0236009

SPRING

(SUB FOR TH102638)

2шт.

44

AT264347

O-RING

(SUB FOR TH112055, TH100136, 4506428)

2шт.

45

0236014

FITTING PLUG

(SUB FOR TH102650)

2шт.

46

4506406

O-RING

5.800 X 1.900 MM (0.228" X 0.075") (SUB FOR T150997) (SUB FOR TH104587)

1шт.

47

CH10568

PACKING

(SUB FOR T150996)

2шт.

50

4224991EX

HYDRAULIC MOTOR

(SUB FOR TH112026) (SUB FOR AT217334) (REMANUFACTURED)

1шт.

Выбрано товаров: 48