Качественные детали и логистика
Оригинальные и аналоговые запчасти с доставкой по России, Казахстану и Беларуси
©2022 PartSell ООО "Система" ИНН 2463123282 ОГРН 1212400004838
Центральный офис: г. Красноярск, Академика Киренского, д.87, пом.4
Телефон: 8 (800) 777-65-74 Email: zakaz@partsell.ru
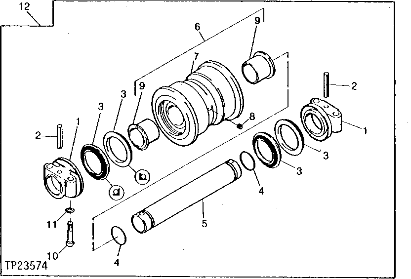
18 - LOWER ROLLER
№
Артикул
Название
Примечание
Количество
1
BRACKET
(AT108622 - NO LONGER AVAILABLE)
2шт.
2
AT108594
CLAMP
3
AT38824
SEAL
(USE IF AVAILABLE) (SUB FOR AT108592) (SUB FOR AT108589)
3шт.
(SUB FOR AT108592)
4
AT108640
O-RING
5
SHAFT
(AT108623 - NO LONGER AVAILABLE)
1шт.
6
ROLLER
(AT108630 - NO LONGER AVAILABLE)
7
(AT108619 - NO LONGER AVAILABLE)
8
AT108653
PLUG
9
AT108616
BUSHING
10
19H3415
CAP SCREW
3/4" X 5-1/2"
64шт.
11
12H236
LOCK WASHER
3/4"
12
AT108629
16шт.
Выбрано товаров: 0