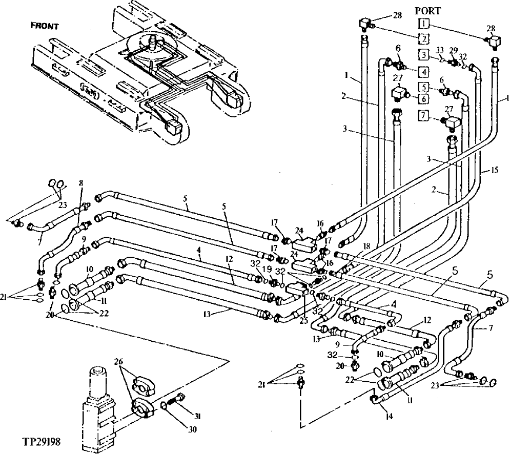
Запчасти John Deere 90D 22 - PROPEL MOTOR TO ROTARY MANIFOLD HOSES AND LINES 260 - AXLES AND SUSPENSION SYSTEMS 2

Схема запчастей John Deere 90D - 22 - PROPEL MOTOR TO ROTARY MANIFOLD HOSES AND LINES 260 - AXLES AND SUSPENSION SYSTEMS 2
FIT
1:1
100%

Артикул

Название

Примечание

Количество

1

AT71981

HYDRAULIC HOSE - FABRICATE

(SUB FOR AT108657)

2шт.

2

AT108689

HYDRAULIC HOSE - FABRICATE

2шт.

3

AT108580

HYDRAULIC HOSE - FABRICATE

2шт.

4

AT108824

HYDRAULIC HOSE - FABRICATE

(SUB FOR AT108655, ALONG WITH (2) AT108825, (2) AT108826, T76938, 38H1208, AT108823, (2) 38H1163 AND (2) U12547)

2шт.

5

AT46298

HYDRAULIC HOSE - FABRICATE

(SUB FOR AT108654)

4шт.

6

X16F5OX-S

ADAPTER FITTING

(SUB FOR AT108571 OR X0503-16-16)

2шт.

T76938

O-RING

2шт.

7

AT108563

HYDRAULIC HOSE - FABRICATE

2шт.

8

AT108562

HYDRAULIC HOSE - FABRICATE

1шт.

9

AT108826

HYDRAULIC HOSE - FABRICATE

(SUB FOR AT108581, ALONG WITH (2) AT108824, (2) AT108825, T76938, 38H1208, AT108823, (2) 38H1163 AND (2) U12547)

2шт.

10

AT108658

HYDRAULIC HOSE - FABRICATE

2шт.

11

AT108716

HYDRAULIC HOSE - FABRICATE

2шт.

12

AT108717

HYDRAULIC HOSE - FABRICATE

2шт.

13

AT108718

HYDRAULIC HOSE - FABRICATE

2шт.

14

AT108719

HYDRAULIC HOSE - FABRICATE

1шт.

15

AT108823

HYDRAULIC HOSE - FABRICATE

(SUB FOR AT108720, ALONG WITH (2) AT108824, (2) AT108825, (2) AT108826, T76938, 38H1208, (2) 38H1163, AND (2) U12547)

1шт.

16

X8-8FTX-S

ADAPTER FITTING

(SUB FOR X0103-8-8) (SUB FOR AT108721)

3шт.

17

X8FTX-S

ADAPTER FITTING

(SUB FOR X0103-6-8) (SUB FOR AT108722)

3шт.

18

38H1163

ADAPTER FITTING

(SUB FOR AT108723, ALONG WITH (2) AT108824, (2) AT108825, (2) AT108826, T76938, 38H1208, AT108823, AND (2) U12547)

1шт.

19

ADAPTER FITTING

( AT108724 NO LONGER REQUIRED) (SUB (2) AT108824, (2) AT108825, (2) AT108826, T76938, 38H1208, AT108823, (2) 38H1163, AND (2) U12547)

3шт.

20

AT123175

ADAPTER FITTING

(SUB FOR AT108725)

4шт.

21

AT108726

ADAPTER FITTING

2шт.

22

AT264324

O-RING

(SUB FOR TH100044) (USE IF AVAILABLE)

4шт.

AT264324

O-RING

(SUB FOR T32587, TH100044)

4шт.

23

AT108726

ADAPTER FITTING

2шт.

24

X1/2MMO-S

TEE FITTING

(SUB FOR X022T-8-8) (SUB FOR T113448 OR AT108727)

2шт.

25

38H1208

TEE FITTING

(SUB FOR AT108728, ALONG WITH (2) AT108824, (2) AT108825, (2) AT108826, T76938, AT108823, (2) 38H1163, AND (2) U12547)

1шт.

26

AT108729

ADAPTER FITTING

4шт.

27

X16C5OX-S

ELBOW FITTING

(SUB FOR X2503-16-16)

2шт.

T76938

O-RING

2шт.

28

X8C5OX-S

ELBOW FITTING

(SUB FOR AT108731 OR X2503-8-8)

2шт.

T77857

O-RING

2шт.

29

38H1163

ADAPTER FITTING

(SUB FOR AT108732, ALONG WITH (2) AT108824, (2) AT108825, (2) AT108826, T76938, 38H1208, AT108823, AND (2) U12547)

1шт.

30

T20168

WASHER

8шт.

31

19M8395

SCREW

M12 X 40, (SUB FOR AT108733)

8шт.

32

T76938

O-RING

ARшт.

33

U12547

O-RING

1шт.

Выбрано товаров: 37