Запчасти John Deere 90D 6 - ENGINE SHORT BLOCK (GEAR DRIVEN WATER PUMP) 404 - ENGINE 4

Схема запчастей John Deere 90D - 6 - ENGINE SHORT BLOCK (GEAR DRIVEN WATER PUMP) 404 - ENGINE 4
FIT
1:1
100%

Артикул

Название

Примечание

Количество

1

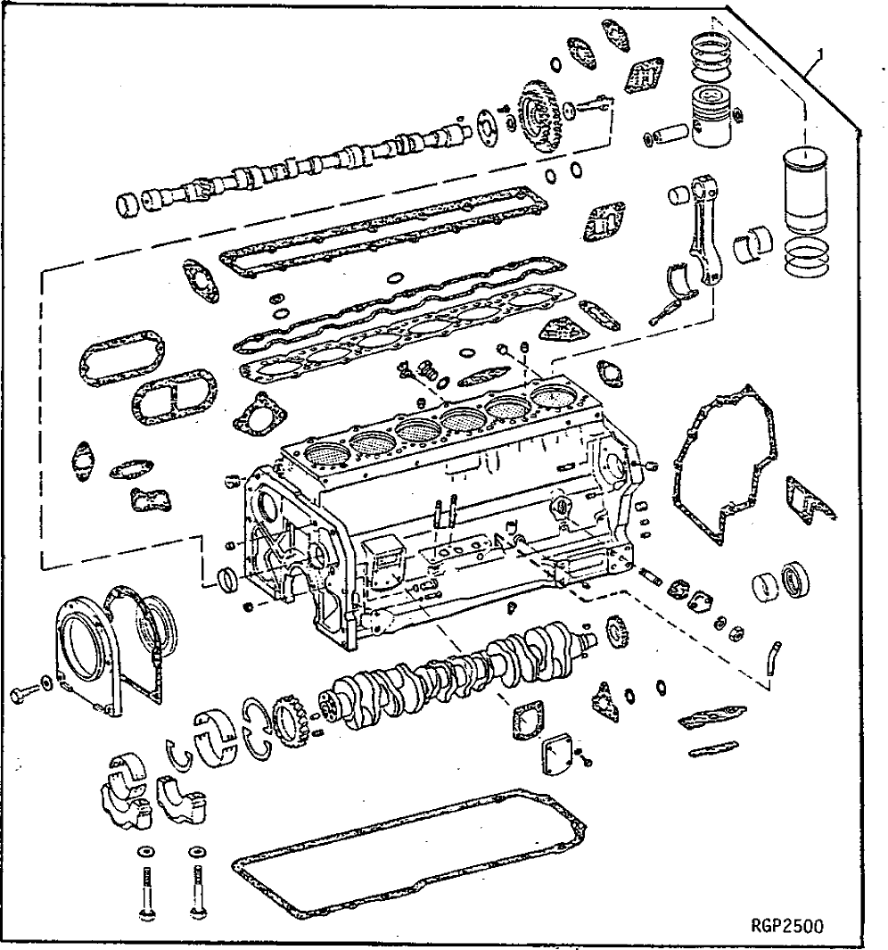
SE500048

BASIC DIESEL ENGINE

(A) (REMANUFACTURED) (SUB FOR AR100374, RE28288, RE53369, RE60436 OR RE65069) (INCLUDES OIL PAN, OIL PUMP, WATER PUMP, OIL COOLER, OIL FILTER HOUSING, REAR SEAL, FRONT SEAL, FRONT COVER, ROCKER ARM COVER AND GASKET KIT)

1шт.

SE500196

DIESEL ENGINE

(A) (NOT SHOWN) (REMANUFACTURED)

1шт.

SE500197

DIESEL ENGINE

(A) (NOT SHOWN) (REMANUFACTURED)

1шт.

Выбрано товаров: 3