Качественные детали и логистика
Оригинальные и аналоговые запчасти с доставкой по России, Казахстану и Беларуси
©2022 PartSell ООО "Система" ИНН 2463123282 ОГРН 1212400004838
Центральный офис: г. Красноярск, Академика Киренского, д.87, пом.4
Телефон: 8 (800) 777-65-74 Email: zakaz@partsell.ru
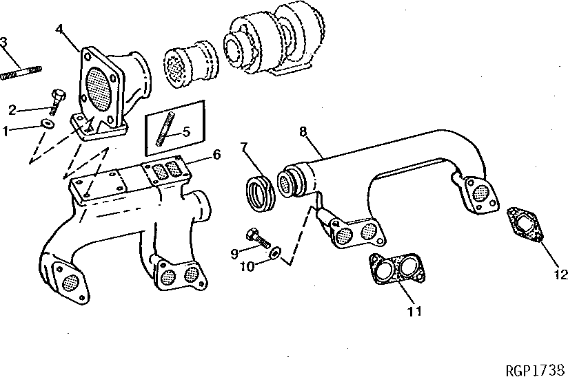
2 - EXHAUST MANIFOLDS
№
Артикул
Название
Примечание
Количество
1
24M7096
WASHER
10.500 X 18 X 1.600 MM
4шт.
2
R54500
SCREW
3
R70958
STUD
2шт.
4
R69938
FLANGE
1шт.
5
R55078
(SUB R54500 AND 24M7096, APPL)
6
R69937
EXHAUST MANIFOLD
(SUB FOR AR91125) (REAR)
7
R122595
RING
(SUB FOR R58109)
8
R69936
(FRONT)
9
19H2128
CAP SCREW
3/8" X 3"
8шт.
10
R63845
11
R521437
GASKET
(SUB FOR R44373) (SUB FOR R83020)
12
R521438
(SUB FOR R44374) (SUB FOR R83021)
Выбрано товаров: 0