Запчасти John Deere 90D 5 - STARTER SOLENOID SWITCH 422 - ENGINE 4

Схема запчастей John Deere 90D - 5 - STARTER SOLENOID SWITCH 422 - ENGINE 4
FIT
1:1
100%

Артикул

Название

Примечание

Количество

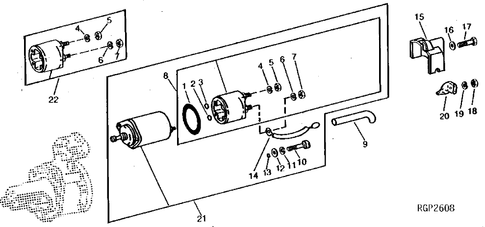
1

R68224

GASKET

1шт.

2

R56792

WASHER

1шт.

3

R56793

SHIM

1шт.

4

12H315

LOCK WASHER

0.164"

1шт.

5

R51671

NUT

1шт.

6

12H246

LOCK WASHER

0.190"

1шт.

7

14H631

NUT

0.190"

1шт.

8

RE20872

COVER

(A) (SUB FOR AR84334)

1шт.

9

R68222

BOOT

1шт.

10

R51669

SCREW

2шт.

11

24H1305

WASHER

13/32" X 13/16" X 0.065"

2шт.

12

12H302

LOCK WASHER

1/4"

2шт.

13

R50894

O-RING

2шт.

14

AR55949

WIRING LEAD

(A) (SUB RE15058)

1шт.

RE15058

WIRE

(B)

1шт.

15

R76139

COVER

(A) (SUB RE39064) (SUB FOR R68225)

1шт.

16

R51662

WASHER

1шт.

17

AR55946

SCREW

(A)

1шт.

18

14H971

NUT

1/2"

1шт.

19

R50899

LOCK WASHER

1шт.

20

R50910

ELECTRICAL CONNECTOR ASSY

(DENSO NO. 028172-0381)

1шт.

21

RE15661

SOLENOID

(A) (DENSO 053400-6050) (SUB FOR AR84336)

1шт.

22

RE20872

COVER

(B)

1шт.

Выбрано товаров: 23