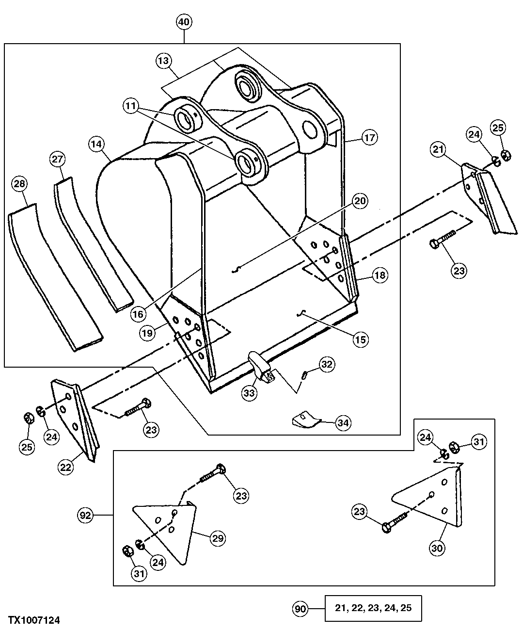
Запчасти John Deere 90D 13A - HEAVY DUTY BUCKET 3302 - EXCAVATOR 33

Схема запчастей John Deere 90D - 13A - HEAVY DUTY BUCKET 3302 - EXCAVATOR 33
FIT
1:1
100%

Артикул

Название

Примечание

Количество

11

TH102409

BUSHING

2шт.

13

C603692

PIVOT

(F) (BUCKET EAR BLANK ASSEMBLY)

1шт.

14

300804

PLATE

(F) (RH) (LH)

1шт.

15

AT131097

CUTTING EDGE

(CUT TO LENGTH) (72 INCHES)

1шт.

16

300526

VERTICAL CUTTER

(F) (SIDE CUTTER) (UPPER RH)

1шт.

17

300527

VERTICAL CUTTER

(F) (SIDE CUTTER) (UPPER LH)

1шт.

18

304568

VERTICAL CUTTER

(F) (CUTTER INSERT) (LH)

1шт.

19

304567

VERTICAL CUTTER

(F) (CUTTER INSERT) (RH)

1шт.

20

600314

MOLDBOARD

(F) (UPPER) (42 INCH BUCKET)

1шт.

600315

MOLDBOARD

(F) (UPPER) (48 INCH BUCKET)

1шт.

603302

MOLDBOARD

(F) (UPPER) (54 INCH BUCKET)

1шт.

600420

MOLDBOARD

(F) (LOWER) (42 INCH BUCKET)

1шт.

600421

MOLDBOARD

(F) (LOWER) (48 INCH BUCKET)

1шт.

603303

MOLDBOARD

(F) (LOWER) (54 INCH BUCKET)

1шт.

21

CUTTING EDGE

(SUB AT131080)

1шт.

22

CUTTING EDGE

(SUB AT131080)

1шт.

23

09H1770

BOLT

7/8" X 2-1/2"

6шт.

24

12H245

LOCK WASHER

7/8"

6шт.

25

14H1077

NUT

7/8"

6шт.

27

300524

BAR

(F) (INNER WEAR BAR)

2шт.

28

304564

BAR

(F) (OUTER WEAR BAR)

2шт.

29

SHROUD

(WEAR SHROUD) (SUB AT167874)

1шт.

30

SHROUD

(WEAR SHROUD) (SUB AT167874)

1шт.

31

14H1044

NUT

7/8"

6шт.

32

TP400HD

PIN

ARшт.

33

T802X400

BUCKET TOOTH ADAPTER

ARшт.

34

TF400

TOOTH

ARшт.

Выбрано товаров: 27