Запчасти John Deere 90D 14 - HEAVY DUTY HIGH CAPACITY BUCKET 3302 - EXCAVATOR 33

Схема запчастей John Deere 90D - 14 - HEAVY DUTY HIGH CAPACITY BUCKET 3302 - EXCAVATOR 33
FIT
1:1
100%

Артикул

Название

Примечание

Количество

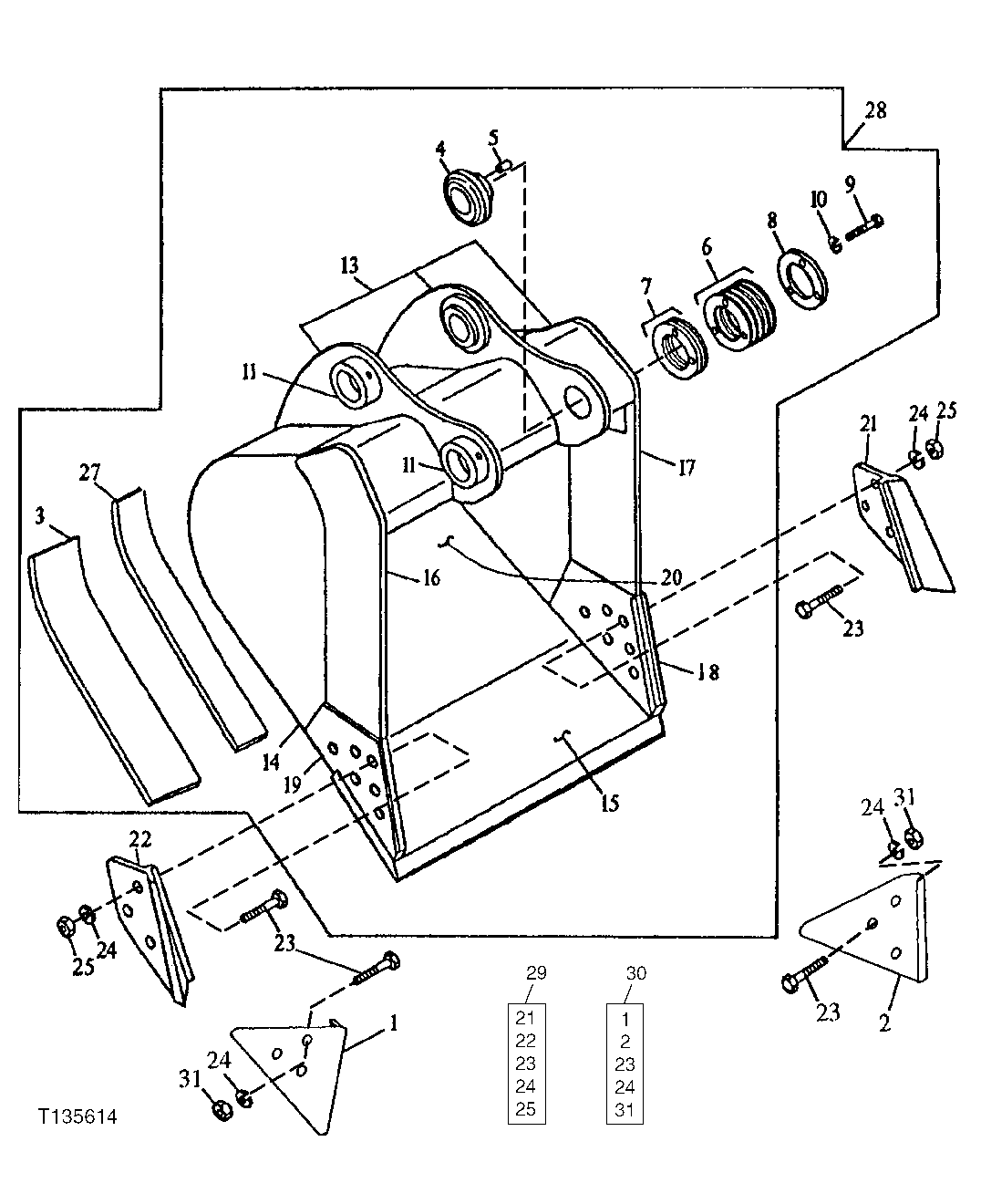
1

SHROUD

(B) (RT. EDGE PROTECTOR)

1шт.

2

SHROUD

(B) (LT. EDGE PROTECTOR)

1шт.

3

304564

BAR

(OUTER WEAR)

2шт.

4

AT131084

BUSHING

1шт.

5

R48685

DOWEL PIN

1шт.

6

TH102460

WASHER

(1 MM)

7шт.

7

TH102461

SHIM

(.5 MM)

3шт.

8

TH102463

PLATE

1шт.

9

19H2706

CAP SCREW

5/8" X 2"

3шт.

10

12H294

LOCK WASHER

5/8"

3шт.

11

TH102409

BUSHING

2шт.

13

C603692

PIVOT

(C) (BUCKET EAR BLANK ASSEMBLY)

1шт.

14

306995

PLATE

(C) (RIGHT AND LEFT SIDE)

2шт.

15

AT131097

CUTTING EDGE

(CUT TO LENGTH) (72 INCHES)

1шт.

T154189

DURA-MAX TM CUTTING EDGE

(CUT TO LENGTH) (42 INCHES)

1шт.

T154188

DURA-MAX TM CUTTING EDGE

(CUT TO LENGTH) (36 INCHES)

1шт.

16

300283

VERTICAL CUTTER

(C) (UPPER RIGHT SIDE CUTTER)

1шт.

17

300284

VERTICAL CUTTER

(C) (UPPER LEFT SIDE CUTTER)

1шт.

18

304568

VERTICAL CUTTER

(C) (LEFT SIDE CUTTER INSERT)

1шт.

19

304567

VERTICAL CUTTER

(C) (RIGHT SIDE CUTTER INSERT)

1шт.

20A

600171

MOLDBOARD

(C) (UPPER MOLDBOARD - 30 INCH BUCKET)

1шт.

600172

MOLDBOARD

(C) (UPPER MOLDBOARD - 36 INCH BUCKET) (SEE FOOTNOTE)

1шт.

600173

MOLDBOARD

(C) (UPPER MOLDBOARD - 42 INCH BUCKET)

1шт.

20B

600166

MOLDBOARD

(C) (UPPER MOLDBOARD - 30 INCH BUCKET)

1шт.

600167

MOLDBOARD

(C) (UPPER MOLDBOARD - 36 INCH BUCKET)

1шт.

600168

MOLDBOARD

(C) (UPPER MOLDBOARD - 42 INCH BUCKET)

1шт.

21

CUTTING EDGE

(A) (LT. HAND SIDE CUTTER)

1шт.

22

CUTTING EDGE

(A) (RT. HAND SIDE CUTTER)

1шт.

23

09H1771

BOLT

(A) (B) 7/8" X 3"

6шт.

24

12H245

LOCK WASHER

(A) (B) 7/8"

6шт.

25

14H1077

NUT

(A) 7/8"

6шт.

27

300291

BAR

(C) (INNER WEAR)

1шт.

28

EXCAVATOR BUCKET

(SUB AT332709) ( AT163638, AT160743 OR AT160744 NLA) (24 INCH - .92 CUBIC YARD) (AVAILABLE TOOTH ASSEMBLIES ON SEPARATE PAGE)

1шт.

EXCAVATOR BUCKET

(SUB AT332710) ( AT163639, AT131041 OR AT131161 NLA) (30 INCH - 1.20 CUBIC YARD) (AVAILABLE TOOTH ASSEMBLIES ON SEPARATE PAGE)

1шт.

EXCAVATOR BUCKET

(SUB AT332711) ( AT163640, AT131042 OR AT131163 NLA) (36 INCH - 1.48 CUBIC YARD) (AVAILABLE TOOTH ASSEMBLIES ON SEPARATE PAGE)

1шт.

EXCAVATOR BUCKET

(SUB AT332712) ( AT163641, AT131043 OR AT131163 NLA) (42 INCH - 1.75 CUBIC YARD) (AVAILABLE TOOTH ASSEMBLIES ON SEPARATE PAGE)

1шт.

31

14H1044

NUT

(B) 22.225 MM (7/8")

6шт.

Выбрано товаров: 37