Запчасти John Deere 90D 20 - BUCKET 3302 - EXCAVATOR 33

Схема запчастей John Deere 90D - 20 - BUCKET 3302 - EXCAVATOR 33
FIT
1:1
100%

Артикул

Название

Примечание

Количество

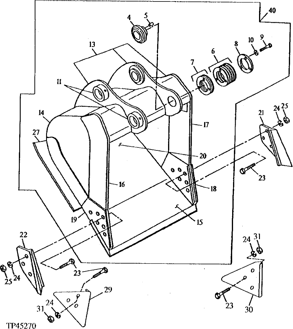
4

AT131084

BUSHING

1шт.

5

R48685

DOWEL PIN

1шт.

6

TH102460

WASHER

(1 MM)

6шт.

7

TH102461

SHIM

(.5 MM)

2шт.

8

TH102463

PLATE

1шт.

9

19H2706

CAP SCREW

5/8" X 2"

3шт.

10

12H294

LOCK WASHER

5/8"

3шт.

11

TH102409

BUSHING

2шт.

13

C603692

PIVOT

(F) (BUCKET EAR BLANK ASSEMBLY)

1шт.

14

300804

PLATE

(F) (RIGHT AND LEFT SIDE)

2шт.

15

AT171742

CUTTING EDGE

(F) (SUB FOR AT131092, THIS APPLICATION) (CUT TO LENGTH) (USE WITH 36 INCH BUCKET)

1шт.

CUTTING EDGE

(F) (CUT TO LENGTH) (USE WITH 42 INCH BUCKET) ( AT131093, AT131094 NLA)

1шт.

16

300526

VERTICAL CUTTER

(F) (UPPER RIGHT SIDE CUTTER)

1шт.

17

300527

VERTICAL CUTTER

(F) (UPPER LEFT SIDE CUTTER)

1шт.

18

300803

VERTICAL CUTTER

(F) (LEFT SIDE CUTTER INSERT)

1шт.

19

300802

VERTICAL CUTTER

(F) (RIGHT SIDE CUTTER INSERT)

1шт.

20

600444

MOLDBOARD

(F) (36 INCH)

1шт.

600445

MOLDBOARD

(F) (42 INCH)

1шт.

21

CUTTING EDGE

(K) (SUB AT131085)

1шт.

22

CUTTING EDGE

(K) (SUB AT131085)

1шт.

23

09H1771

BOLT

(K) 7/8" X 3", (K2)

6шт.

24

12H245

LOCK WASHER

(K) 7/8", (K2)

6шт.

25

14H1077

NUT

(K) 7/8"

6шт.

27

606121

BAR

(F) (DOUBLE BOTTOM WEAR BAR - 36 INCH BUCKET)

1шт.

606122

BAR

(F) (DOUBLE BOTTOM WEAR BAR - 42 INCH BUCKET)

1шт.

29

SHROUD

(WEAR SHROUD) (SUB AT167876) (K2)

1шт.

30

SHROUD

(WEAR SHROUD) (SUB AT167876) (K2)

1шт.

31

14H1044

NUT

22.225 MM (7/8") (K2)

6шт.

40

EXCAVATOR BUCKET

(SUB FOR AT131044 OR AT163642) ( AT171743 NLA) (36 INCH - 1.16 CUBIC YARD) (AVAILABLE TOOTH ASSEMBLIES ON SEPARATE PAGE)

1шт.

EXCAVATOR BUCKET

(SUB FOR AT131045 OR AT163643) ( AT171745 NLA) (42 INCH - 1.38 CUBIC YARD) (AVAILABLE TOOTH ASSEMBLIES ON SEPARATE PAGE)

1шт.

Выбрано товаров: 30