Запчасти John Deere 90ELC 87 - ALTERNATOR, FAN AND PULLEY (DELCO-REMY) ( - 430402) 1672 ALTERNATOR, REGULATOR AND CHARGING SYSTEM WIRING

Схема запчастей John Deere 90ELC - 87 - ALTERNATOR, FAN AND PULLEY (DELCO-REMY) ( - 430402) 1672 ALTERNATOR, REGULATOR AND CHARGING SYSTEM WIRING
FIT
1:1
100%

Артикул

Название

Примечание

Количество

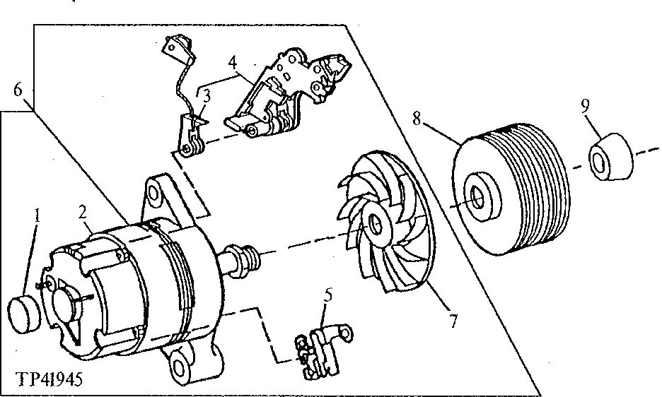
1

AR77851

Cylindrical Roller Bearing

1шт.

2

R71400

Housing

1шт.

3

Regulator

1шт.

4

AR85941

Carbon Brush Holder

1шт.

5

RE13798

Diode

1шт.

6

Alternator

(24-VOLT) (DELCO-REMY NO.10480060) (NEW) ( AT157178 NO LONGER AVAILABLE) SUB TY6776

1шт.

TY6776

Alternator

NLA; ORDER SE501384

1шт.

SE501384

Alternator

REMAN FOR TY6776 OR AT157178

1шт.

7

R87764

Fan

1шт.

8

R94350

Pulley

1шт.

9

R94351

Bushing

1шт.

Выбрано товаров: 11