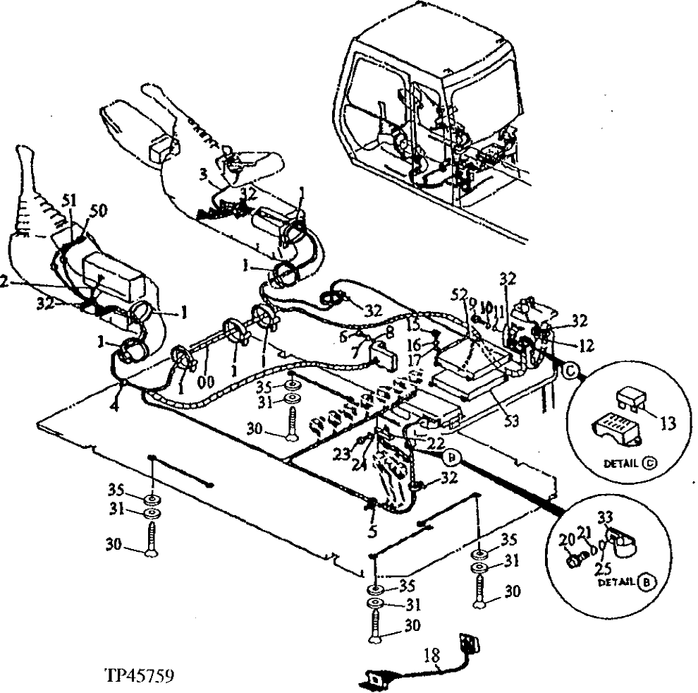
Запчасти John Deere 90ELC 90 - ELECTRIC PARTS ( - 014999) 1674 Wiring Harness And Switches

Схема запчастей John Deere 90ELC - 90 - ELECTRIC PARTS ( - 014999) 1674 Wiring Harness And Switches
FIT
1:1
100%

Артикул

Название

Примечание

Количество

0

0001208

Wiring Harness

(SUB FOR AT154888)

1шт.

4192489

Diode

(SUB FOR TH110500)(NOT ILLUSTRATED)

3шт.

1

H77698

Tie Band

7шт.

2

4277941

Wiring Harness

(SUB FOR AT154956)(RADIO)

1шт.

3

4277927

Wiring Harness

(SUB FOR AT154955)(STARTER SWITCH)

1шт.

4

4190275

Clamp

(SUB FOR TH108598)

1шт.

5

4254600

Clip

(SUB FOR AT154928)

1шт.

6

19M8425

Cap Screw

M6 X 16

3шт.

7

12M7006

Lock Washer

6 mm

3шт.

8

24M7293

Washer

6.500 X 13 X 1.600 mm

3шт.

9

19M7077

Cap Screw

M6 X 20

2шт.

10

12M7006

Lock Washer

6 mm

2шт.

11

24M7293

Washer

6.500 X 13 X 1.600 mm

1шт.

12

4284198

Wiring Harness

(SUB FOR AT155341)

1шт.

13

57M7329

Fuse

(BLADE - 1 AMP) (BLACK)

5шт.

57M7125

Fuse

(5 AMP) (TAN)

7шт.

57M7121

Fuse

(10 AMP) (RED)

4шт.

57M7120

Fuse

(20 AMP) (YELLOW)

3шт.

15

19M8425

Cap Screw

M6 X 16

ARшт.

16

12M7006

Lock Washer

6 mm

ARшт.

17

24M7293

Washer

6.500 X 13 X 1.600 mm

ARшт.

18

2035206

Wiring Harness

(SUB FOR AT158373)(9 FT. EX TENSION) (TO CAB CONNECTOR)

1шт.

2036643

Wiring Harness

(SUB FOR AT161804)(15 FT. E XTENSION) (TO CAB CONNECTOR)

1шт.

20

19M8425

Cap Screw

M6 X 16

1шт.

21

12M7006

Lock Washer

6 mm

1шт.

22

4191772

Resistor

(SUB FOR AT155250)(ALTERNATOR EXITATION)

1шт.

23

4204811

Screw

(SUB FOR AT155253)

1шт.

24

12H315

Lock Washer

0.164" (SUB FOR 12M7063)

1шт.

25

24M7293

Washer

6.500 X 13 X 1.600 mm

1шт.

30

19M8324

Cap Screw

M10 X 16

4шт.

31

12M7066

Lock Washer

10 mm

4шт.

32

H77698

Tie Band

6шт.

33

4000859

Clip

(SUB FOR AT154910)

1шт.

35

24M7028

Washer

10.500 X 20 X 2 mm

4шт.

50

4322387

Switch

(MOTION ALARM) (SUB FOR AT 154976 ) (SUB FOR AT161978)

1шт.

51

4322389

Switch

(STARTING AID) (SUB FOR AT 154975 ) (SUB FOR AT161977)

1шт.

52

9109826

Control

(SUB FOR AT159414)(ENGINE CONTROL)

1шт.

53

9117637

Pump/Valve Controller

(SUB FOR AT159413)(PUMP VALVE CONTROL)

1шт.

Выбрано товаров: 38