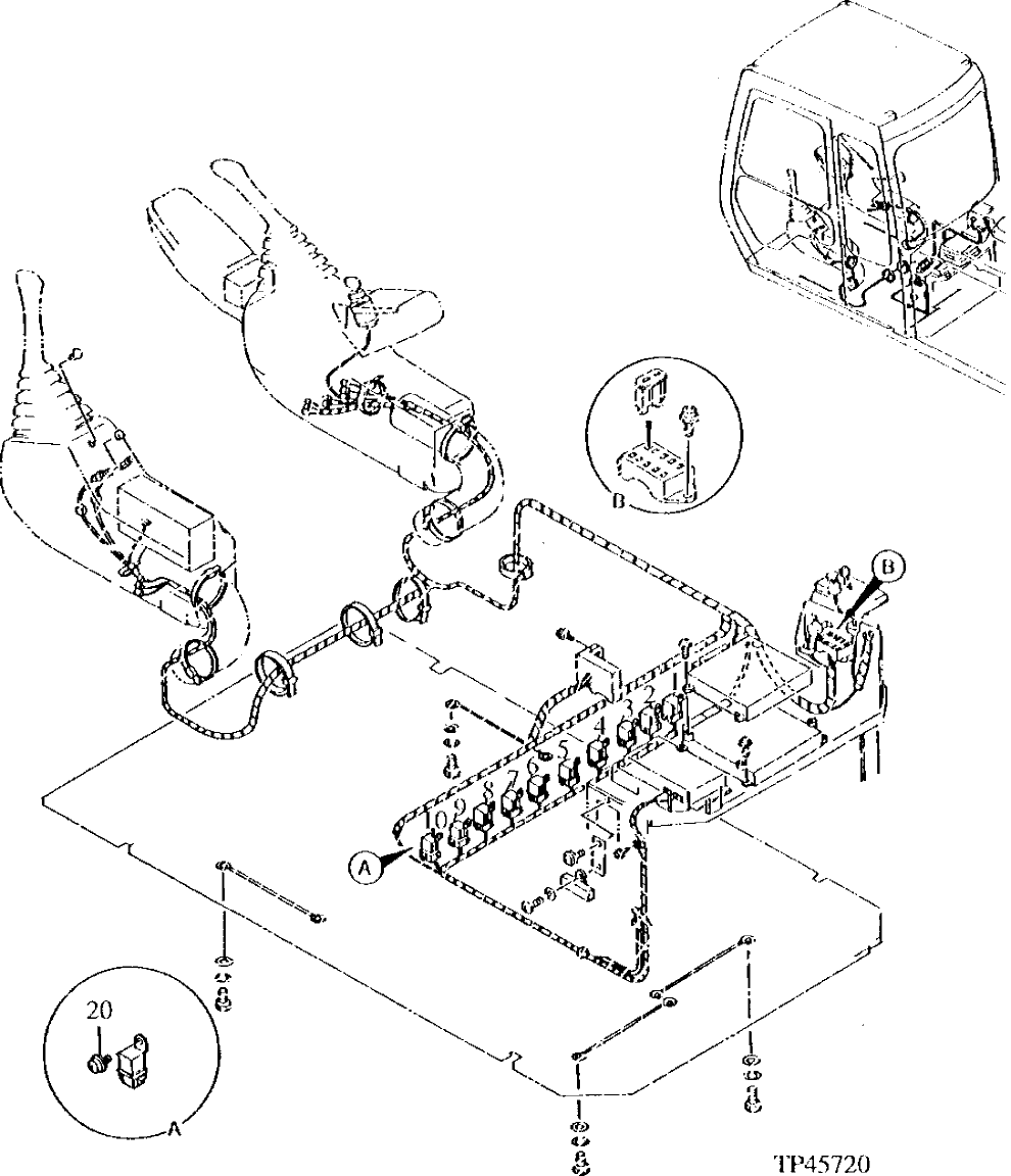
Запчасти John Deere 90ELC 93 - RELAYS (015000 - ) 1674 Wiring Harness And Switches

Схема запчастей John Deere 90ELC - 93 - RELAYS (015000 - ) 1674 Wiring Harness And Switches
FIT
1:1
100%

Артикул

Название

Примечание

Количество

1

4251588

Relay

(SUB FOR AT154924)(WINDSHIELD WIPER)

1шт.

2

4251588

Relay

(SUB FOR AT154924)(PUMP CONTROL)

1шт.

3

4251588

Relay

(SUB FOR AT154924)(LOAD DUMP)

1шт.

4

4251588

Relay

(SUB FOR AT154924)(HORN)

1шт.

5

4251588

Relay

(SUB FOR AT154924)(WINDSHIELD WASHER)

1шт.

6

4251588

Relay

(SUB FOR AT154924)(DRIVE LIGHTS)

1шт.

7

4251588

Relay

(SUB FOR AT154924)(WORK LIGHTS)

1шт.

8

4251588

Relay

(SUB FOR AT154924)(ENGINE CONTROL MOTOR)

1шт.

9

4251588

Relay

(SUB FOR AT154924)(SAFETY)

1шт.

10

4251588

Relay

(SUB FOR AT154924)(START AID)

1шт.

20

19M8425

Cap Screw

M6 X 16

10шт.

12M7006

Lock Washer

6 mm

10шт.

24M7293

Washer

6.500 X 13 X 1.600 mm

10шт.

Выбрано товаров: 0