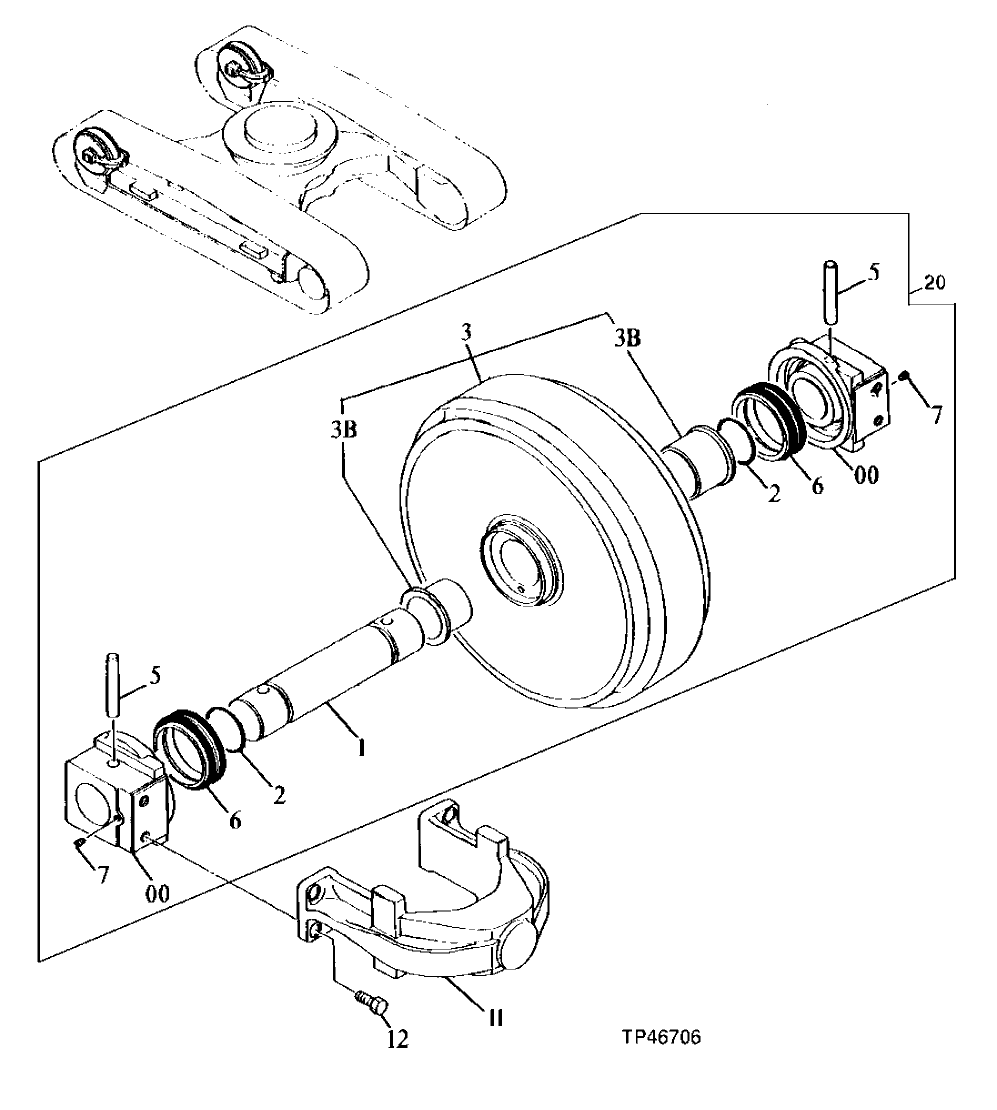
Запчасти John Deere 90ELC 1 - Front Idler 0130 TRACK SYSTEM

Схема запчастей John Deere 90ELC - 1 - Front Idler 0130 TRACK SYSTEM
FIT
1:1
100%

Артикул

Название

Примечание

Количество

0

2021767

Bearing

(SUB FOR TH109729)

2шт.

1021805

Bearing

(SUB FOR AT213727)

2шт.

1

3033488

Axle

(SUB FOR TH109730)

1шт.

3070162

Axle

(SUB FOR AT213765)

1шт.

2

CH14671

Packing

2шт.

3

9143401

Roller

(SUB FOR AT131260 ) (SUB FOR AT172700)

1шт.

9134157

Idler Sprocket

(SUB FOR AT214384)

1шт.

3B

3056834

Bushing

(SUB FOR AT131262)

2шт.

3069749

Bushing

(SUB FOR AT213763)

2шт.

5

4126209

Pin

(SUB FOR TH100432)

2шт.

6

AT180017

Seal

(SUB FOR TH100433)

2шт.

7

942011

Fitting Plug

(SUB FOR 94-2011 AND TH100434)

2шт.

11

1014036

Yoke

(SUB FOR AT154628)

2шт.

12

19M8035

Cap Screw

M16 X 35

8шт.

20

9143400

Idler

(SUB FOR AT154846 ) (SUB FOR AT172699)

1шт.

Idler

(SUB FOR AT214392)( 9145269 NO LONGE R AVAILABLE) (REPLACED BY AT180014)

1шт.

Выбрано товаров: 16