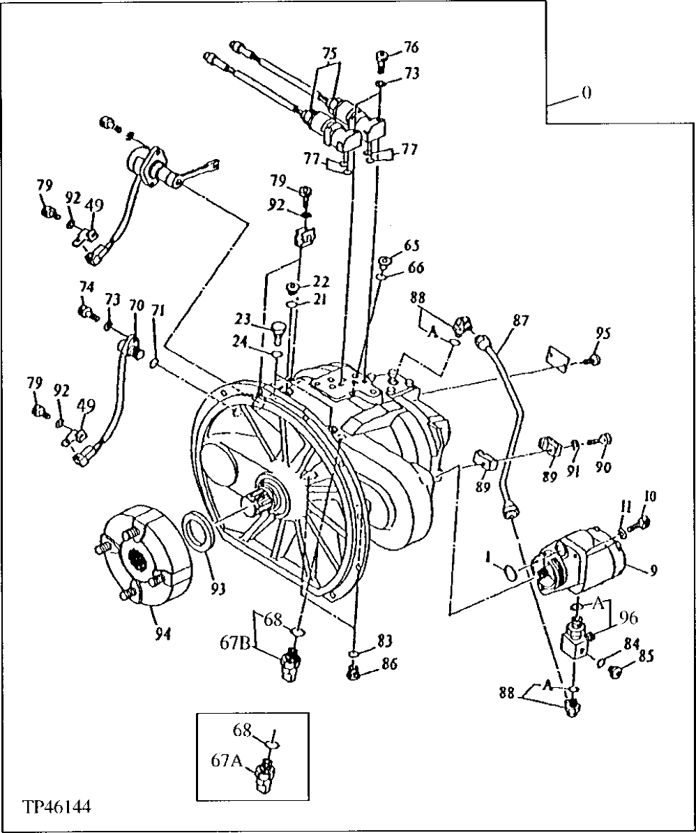
Запчасти John Deere 90ELC 167 - Main Hydraulic Pump ( - 014999) 2160 HYDRAULIC SYSTEM

Схема запчастей John Deere 90ELC - 167 - Main Hydraulic Pump ( - 014999) 2160 HYDRAULIC SYSTEM
FIT
1:1
100%

Артикул

Название

Примечание

Количество

0

AT154862

Pump

(USE IF AVAILABLE) (IF AT154862 NOT AVAILABLE, SUB AT217361) (CONTAINS ALL ITEMS ON THIS PAGE - ADDITIONAL COMPONENTS LISTED ON FOLLOWING PAGE)

1шт.

AT217361

Hydraulic Pump Reman

(REMAN FOR AT154862) (CONTAINS AL L ITEMS ON THIS PAGE - ADDITIONAL C OMPONENTS LISTED ON FOLLOWING PAGE)

1шт.

1

CH17653

Packing

(SUB FOR AT154209)

1шт.

9

4255303

Pump

(SUB FOR AT154227)(GEAR)

1шт.

10

19M8337

Screw

M10 X 30

2шт.

11

24M7028

Washer

10.500 X 20 X 2 mm

2шт.

21

CH11570

O-Ring

1шт.

22

15M7036

Drain Plug

(SUB FOR TH109285 OR 0309805)

1шт.

23

4233165

Fitting

(SUB FOR AT154164)

2шт.

24

M800650

Packing

2шт.

49

4336874

Bracket

(SUB FOR AT202391)

2шт.

65

4208977

Drain Plug

(SUB FOR TH111351)

1шт.

66

M800650

Packing

1шт.

67A

Sensor

(SUB AT202390)(PUMP DISCHARGE PRESSURE SENSOR) ( AT154191 NO LONGER AVAILABLE)

1шт.

67B

Sensor

(SUB AT175981)(PUMP DISCHARGE PRESSURE SENSOR) AT202390 NO LONGER AVAILABLE

1шт.

67C

4436271

Sensor

(SUB FOR AT175981 OR 4355012)

1шт.

68

TH102560

O-Ring

15.800 X 2.400 mm

1шт.

70

4265372

Sensor

(SUB FOR AT154297)(REVOLUTION)

1шт.

71

4306888

O-Ring

(SUB FOR AT154310)

1шт.

73

24M7054

Washer

6.400 X 12 X 1.600 mm

5шт.

74

19M8553

Screw

M6 X 16

1шт.

75

Solenoid Valve

( 9147260 NLA), (SUB FOR AT154524)

2шт.

76

19M8713

Screw

M6 X 45

4шт.

77

4317636

O-Ring

(SUB FOR TH106280 ) (SUB FOR AT202454)

4шт.

79

0209423

Bolt

(SUB FOR TH100738)

4шт.

83

CH11570

O-Ring

2шт.

84

M800650

Packing

1шт.

85

4208977

Drain Plug

(SUB FOR TH111351)

1шт.

86

15M7036

Drain Plug

(SUB FOR TH109285 OR 0309805)

2шт.

87

3055948

Line

(SUB FOR AT154691)

1шт.

88

4293950

Fitting

(SUB FOR TH109468 OR AT160584)

2шт.

88A

M800650

Packing

1шт.

89

9736515

Clamp

(SUB FOR AT154545)

2шт.

90

19M7513

Cap Screw

M8 X 30 (SUB FOR 19M7288)

1шт.

91

12M7056

Lock Washer

8 mm (SUB FOR 12M7065)

1шт.

92

12M7133

Lock Washer

6 mm (SUB FOR 12M7129)

4шт.

93

4282816

Plate

(SUB FOR AT155326)

1шт.

94

4262327

Splined Coupling

(SUB FOR AT154765)

1шт.

95

37H99

Screw

0.100" X 1/4"

2шт.

96

4278547

Adapter Fitting

(SUB FOR AT154349)

1шт.

96A

4506418

O-Ring

(SUB FOR U46489)

1шт.

Выбрано товаров: 41