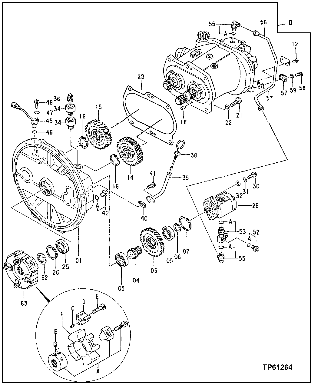
Запчасти John Deere 90ELC 169 - Main Hydraulic Pump (015000 - ) 2160 HYDRAULIC SYSTEM

Схема запчастей John Deere 90ELC - 169 - Main Hydraulic Pump (015000 - ) 2160 HYDRAULIC SYSTEM
FIT
1:1
100%

Артикул

Название

Примечание

Количество

0

AT204852

Pump

(ORDER AT217335)NLA

1шт.

AT217335

Hydraulic Pump Reman

(REMAN FOR AT204852), (CONTAINS A LL ITEMS ON THIS PAGE - ADDITIONAL COMPONENTS LISTED ON FOLLOWING PAGE )

1шт.

1

1020527

Gear Case

(SUB FOR AT202404 ) (SUB FOR AT217713)

1шт.

3

3063840

Gear

(SUB FOR AT202414)

1шт.

4

3055594

Shaft

(SUB FOR AT202412)

1шт.

5

JD8514

Ball Bearing

2шт.

6

962002

Snap Ring

(SUB FOR TH100483)

1шт.

7

40M7090

Snap Ring

1шт.

12

37H99

Screw

0.100" X 1/4"

2шт.

14

3063842

Gear

(SUB FOR AT202415)

1шт.

15

3063843

Gear

(SUB FOR AT202416)

1шт.

16

AT152406

Snap Ring

(SUB FOR AT203647, 4274552)

2шт.

18

34M7061

Spring Pin

8 X 20 mm

2шт.

21

19M7489

Cap Screw

M16 X 45 (SUB FOR 19M7396)

6шт.

22

12H294

Lock Washer

5/8"

6шт.

23

4317619

O-Ring

(SUB FOR AT202451)

1шт.

25

4310055

Seal

(SUB FOR AT202443)

1шт.

26

40M7090

Snap Ring

1шт.

28

4276918

Pump

(SUB FOR AT202122)

1шт.

30

19M8337

Screw

M10 X 30

2шт.

31

12M7135

Lock Washer

10 mm (SUB FOR 12M6791)

2шт.

32

4114402

Washer

(SUB FOR TH102181)

2шт.

34

4317633

Adapter Fitting

(SUB FOR AT202452)

2шт.

36

4234782

Plug

(SUB FOR AT200990)

1шт.

38

4340855

Level Gauge

(SUB FOR AT204835)

1шт.

39

9736788

Pipe

(SUB FOR AT202488)

1шт.

40

9742779

Gasket

(SUB FOR TH112091 ) (SUB FOR AT214401)

1шт.

41

19M7932

Cap Screw

M8 X 16

2шт.

42

9134111

Fitting

(SUB FOR AT203648)

1шт.

42A

CH11570

O-Ring

1шт.

45

4265372

Sensor

(SUB FOR AT154297)

1шт.

46

4306888

O-Ring

(SUB FOR AT154310)

1шт.

47

24M7054

Washer

6.400 X 12 X 1.600 mm

1шт.

48

19M8553

Screw

M6 X 16

1шт.

52

9134110

Fitting

(SUB FOR AT203649)

1шт.

52A

M800650

Packing

1шт.

53

4278547

Adapter Fitting

(SUB FOR AT154349)

1шт.

53A

4506418

O-Ring

(SUB FOR U46489)

1шт.

55

4293950

Fitting

(SUB FOR TH109468 OR AT160584)

2шт.

55A

M800650

Packing

1шт.

56

3063845

Oil Line

(SUB FOR AT202417)

1шт.

57

9736515

Clamp

(SUB FOR AT154545)

2шт.

58

19M7513

Cap Screw

M8 X 30 (SUB FOR 19M7288)

1шт.

59

12M7056

Lock Washer

8 mm (SUB FOR 12M7065)

1шт.

62

4340686

Plate

(SUB FOR AT204834)

1шт.

63

4314298

Coupling

(SUB FOR AT202449)

1шт.

63A

4341223

Hub

(SUB FOR AT204892)

1шт.

63B

4334902

Set Screw

(SUB FOR AT204888)

2шт.

63C

34M7117

Spring Pin

5 X 10 mm

4шт.

63D

4183166

Insert

(SUB FOR TH109475)

4шт.

63E

T108085

Cap Screw

M16 X 50

4шт.

63F

4183165

Coupling

1шт.

Выбрано товаров: 52