Запчасти John Deere 90ELC 181 - OIL COOLER PIPINGS 2160 HYDRAULIC SYSTEM

Схема запчастей John Deere 90ELC - 181 - OIL COOLER PIPINGS 2160 HYDRAULIC SYSTEM
FIT
1:1
100%

Артикул

Название

Примечание

Количество

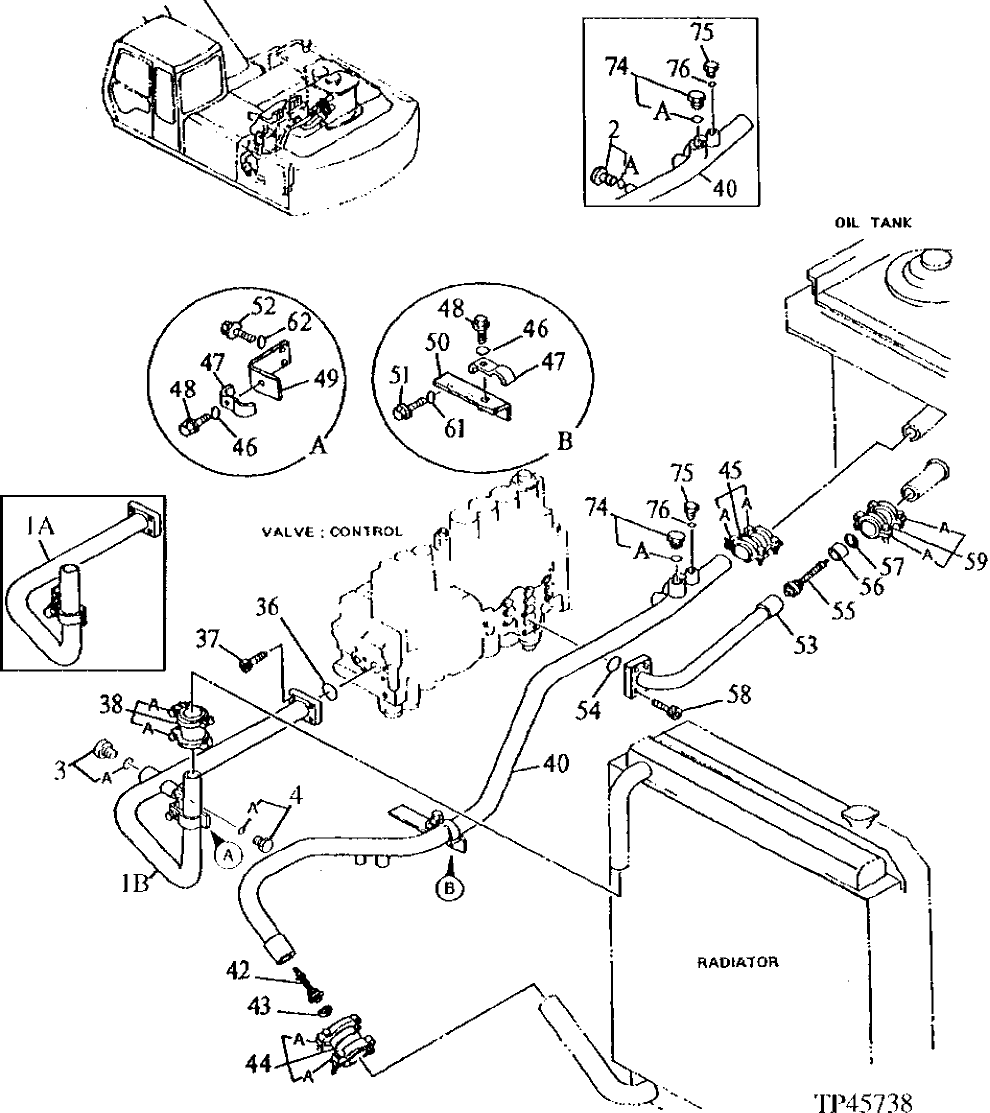
1A

8048481

Line

(SUB FOR AT155425 ) (SUB FOR AT155547)

1шт.

1B

8056825

Line

(SUB FOR AT202477)

1шт.

2

AT318013

Drain Plug

(SUB FOR 4093624 ) (SUB FOR TH103949 ) (SUB FOR TH102536)

1шт.

2A

M800650

Packing

1шт.

3

4174542

Drain Plug

(SUB FOR TH110478)

1шт.

3A

AT318035

O-Ring

(SUB FOR 4506424, TH100055)

1шт.

4

4174541

Fitting

(SUB FOR TH110477)

1шт.

4A

4506418

O-Ring

(SUB FOR U46489)

1шт.

36

A811040

O-Ring

39.400 X 3.100 mm (SUB FOR TH102992)

1шт.

37

19M8447

Screw

M10 X 35

4шт.

38

4069801

Coupling

(SUB FOR TH101915 AND 4712341)

1шт.

38A

4196259

Seal

(SUB FOR TH106966)

2шт.

40

7026935

Line

(SUB FOR AT155425)

1шт.

7026935

Line

(SUB FOR AT162411)

1шт.

42

4276584

Flow Control Hyd. Valve

(SUB FOR AT155269 ) (SUB FOR AT154331)

1шт.

4276584

Flow Control Hyd. Valve

(SUB FOR AT155269)

1шт.

43

40M7225

Snap Ring

1шт.

44

4067834

Coupling

(SUB FOR TH102945)

1шт.

44A

4196260

Seal

(SUB FOR TH106967)

2шт.

45

4069801

Coupling

(SUB FOR TH101915)

1шт.

45A

4196259

Seal

(SUB FOR TH106966)

2шт.

46

12H301

Lock Washer

1/2"

2шт.

47

4053698

Clamp

(SUB FOR TH101936)

2шт.

48

19M7753

Cap Screw

M12 X 70

2шт.

49

Bracket

(NOT AVAILABLE FOR SERVICE)

1шт.

50

Bracket

(NOT AVAILABLE FOR SERVICE)

1шт.

51

19M7662

Cap Screw

M10 X 30

2шт.

52

19M7402

Cap Screw

M10 X 25

2шт.

24M7028

Washer

10.500 X 20 X 2 mm

2шт.

53

8048265

Line

(SUB FOR AT155545)

1шт.

54

A811040

O-Ring

39.400 X 3.100 mm (SUB FOR TH102992)

1шт.

55

4272164

Flow Control Hyd. Valve

(SUB FOR AT155303)

1шт.

56

4256203

Bushing

(SUB FOR AT154234)

1шт.

57

40M7123

Snap Ring

1шт.

58

19M8447

Screw

M10 X 35

4шт.

59

4069801

Coupling

(SUB FOR TH101915)

1шт.

59A

4196259

Seal

(SUB FOR TH106966)

2шт.

61

12M7066

Lock Washer

10 mm

2шт.

62

12M7066

Lock Washer

10 mm

2шт.

74

4174542

Drain Plug

(SUB FOR TH110478)

1шт.

74A

AT318035

O-Ring

(SUB FOR 4506424, TH100055)

1шт.

75

15M7036

Drain Plug

(SUB FOR TH109285 OR 0309805)

1шт.

76

CH11570

O-Ring

1шт.

Выбрано товаров: 43