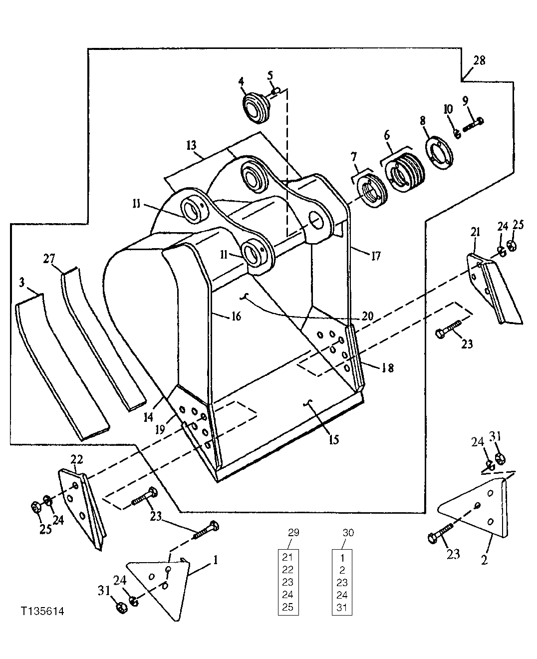
Запчасти John Deere 90ELC 196 - Heavy Duty High Capacity Bucket (Also Order Bucket Tooth Assemblies) 3302 BUCKETS, TEETH, SHANKS AND SIDECUTTERS

Схема запчастей John Deere 90ELC - 196 - Heavy Duty High Capacity Bucket (Also Order Bucket Tooth Assemblies) 3302 BUCKETS, TEETH, SHANKS AND SIDECUTTERS
FIT
1:1
100%

Артикул

Название

Примечание

Количество

1

Shroud

(RH)

1шт.

2

Shroud

(LH)

1шт.

3

304559

Bar

(F) (WEAR) (OUTER)

2шт.

4

AT131084

Bushing

1шт.

5

R48685

Dowel Pin

1шт.

6

TH102460

Washer

(1 MM)

6шт.

7

TH102461

Shim

(.5 MM)

2шт.

8

TH102463

Plate

1шт.

9

19H2706

Cap Screw

5/8" X 2"

3шт.

10

12H294

Lock Washer

5/8"

3шт.

11

TH102409

Bushing

2шт.

13

C603692

Pivot

(F) (BUCKET EAR BLANK ASSEMBLY)

1шт.

14

306995

Plate

(F) (RH / LH)

2шт.

15

AT131097

Dura-Max Cutting Edge

(CUT TO LENGTH) (72")

1шт.

T154189

Dura-Max Cutting Edge

(CUT TO LENGTH) (42")

1шт.

T154188

Dura-Max Cutting Edge

(CUT TO LENGTH) (36")

1шт.

16

300283

Vertical Cutter

(F) (UPPER RH)

1шт.

17

300284

Vertical Cutter

(F) (UPPER LH)

1шт.

18

304568

Vertical Cutter

(F) (LH)

1шт.

19

304567

Vertical Cutter

(F) (RH)

1шт.

20

600171

Moldboard

(F) (UPPER)(20 INCH)

1шт.

600172

Moldboard

(F) (UPPER)(36 INCH)

1шт.

600173

Moldboard

(F) (UPPER)(42 INCH)

1шт.

600166

Moldboard

(F) (LOWER)(30 INCH)

1шт.

600167

Moldboard

(F) (LOWER)(36 INCH)

1шт.

600168

Moldboard

(F) (LOWER)(42 INCH)

1шт.

21

Cutting Edge

(LH)

1шт.

22

Cutting Edge

(RH)

1шт.

23

09H1771

Bolt

7/8" X 3"

6шт.

24

12H245

Lock Washer

7/8"

6шт.

25

14H1077

Nut

7/8"

6шт.

27

300291

Bar

(F) (WEAR) (INNER)

2шт.

28

Excavator Bucket

(A) ( AT163638, AT160743, OR AT160744 NLA ) (SUB AT332709 (24 INCH - .92 CUBIC YARD))

1шт.

Excavator Bucket

(A) ( AT163639, AT131041 OR AT131161 NLA) (SUB AT332710 (30 INCH - 1.20 CUBIC YARD))

1шт.

Excavator Bucket

(A) ( AT163640, AT131042 OR AT131162 NLA) (SUB AT332711 (36 INCH - 1.48 CUBIC YARD))

1шт.

Excavator Bucket

(A) ( AT163641, AT131043 OR AT131163 NLA) (SUB AT332712 (42 INCH - 1.75 CUBIC YARD))

1шт.

29

Kit

( AT131085 NLA) (SIDE CUTTER KIT) (W OODS-CENTRAL FABRICATORS NO. C15029)

1шт.

30

Kit

( AT167876 NLA) (EDGE PROTECTOR KIT) (WOODS-CENTER FABRICATORS NO. C27994)

1шт.

31

14H1044

Nut

7/8"

6шт.

Выбрано товаров: 39