Запчасти John Deere 90ELC 197 - Heavy Duty High Capacity Bucket 3302 BUCKETS, TEETH, SHANKS AND SIDECUTTERS

Схема запчастей John Deere 90ELC - 197 - Heavy Duty High Capacity Bucket 3302 BUCKETS, TEETH, SHANKS AND SIDECUTTERS
FIT
1:1
100%

Артикул

Название

Примечание

Количество

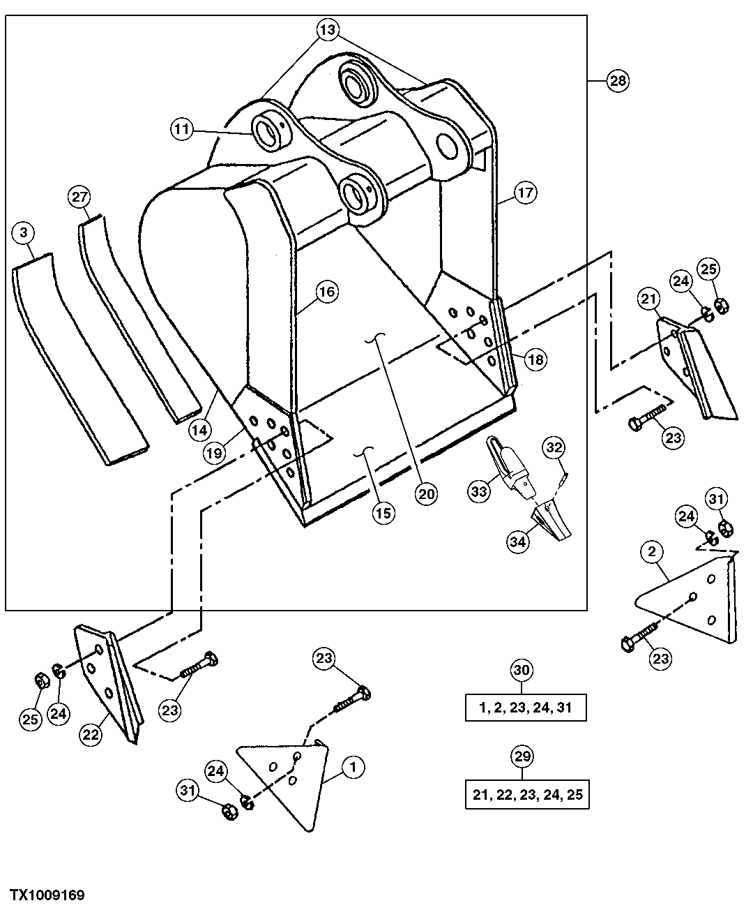
1

Shroud

RH

1шт.

2

Shroud

LH

1шт.

3

304559

Bar

WEAR OUTER

2шт.

11

TH102409

Bushing

2шт.

13

C603692

Pivot

Bucket Ear Blank Assembly

1шт.

14

306995

Plate

RH / LH

2шт.

15

AT131097

Dura-Max Cutting Edge

CUT TO LENGTH; 72"

1шт.

T154189

Dura-Max Cutting Edge

CUT TO LENGTH; 42"

1шт.

T154188

Dura-Max Cutting Edge

CUT TO LENGTH; 36"

1шт.

16

300283

Vertical Cutter

UPPER RH

1шт.

17

300284

Vertical Cutter

UPPER LH

1шт.

18

304568

Vertical Cutter

LH

1шт.

19

304567

Vertical Cutter

RH

1шт.

20

600171

Moldboard

UPPER; 20 INCH

1шт.

600172

Moldboard

UPPER; 36 INCH

1шт.

600173

Moldboard

UPPER; 42 INCH

1шт.

600166

Moldboard

LOWER; 30 INCH

1шт.

600167

Moldboard

LOWER; 36 INCH

1шт.

600168

Moldboard

LOWER; 42 INCH

1шт.

21

Cutting Edge

LH

1шт.

22

Cutting Edge

RH

1шт.

23

09H1771

Bolt

7/8" X 3"

6шт.

24

12H245

Lock Washer

7/8"

6шт.

25

14H1077

Nut

7/8"

6шт.

27

300291

Bar

WEAR INNER

2шт.

28

Excavator Bucket

SUB FOR AT160743, AT160744 OR A T163638; SUB FOR AT339182; 24 IN CH - .92 CUBIC YARD; AT332709 NL A

1шт.

Excavator Bucket

SUB FOR AT131041, AT131161 OR AT163639; SUB AT339186; 30 INCH - 1.20 CUBIC YARD; AT332710 NL A

1шт.

Excavator Bucket

SUB FOR AT131042, AT131162 OR AT163640; SUB AT339189; 36 INCH - 1.48 CUBIC YARD; AT332711 NL A

1шт.

Excavator Bucket

SUB FOR AT131043, AT131163 OR AT163641; SUB AT339191; 42 INCH - 1.75 CUBIC YARD; AT332712 NL A

1шт.

29

End Bit

AT131085 NLA; SIDE CUTTER KIT; WO ODS-CENTRAL FABRICATORS NO. C15029

1шт.

30

Kit

AT167876 NLA; EDGE PROTECTOR KIT; W OODS-CENTRAL FABRICATORS NO. C27994

1шт.

31

14H1044

Nut

7/8"

6шт.

32

TP400HD

Pin

ARшт.

33

T802X400

Bucket Tooth Adapter

ARшт.

34

TF400

Tooth

ARшт.

Выбрано товаров: 35