Запчасти John Deere 90ELC 199 - Severe Duty Cast Lip Bucket (Also Order Bucket Tooth Assemblies) 3302 BUCKETS, TEETH, SHANKS AND SIDECUTTERS

Схема запчастей John Deere 90ELC - 199 - Severe Duty Cast Lip Bucket (Also Order Bucket Tooth Assemblies) 3302 BUCKETS, TEETH, SHANKS AND SIDECUTTERS
FIT
1:1
100%

Артикул

Название

Примечание

Количество

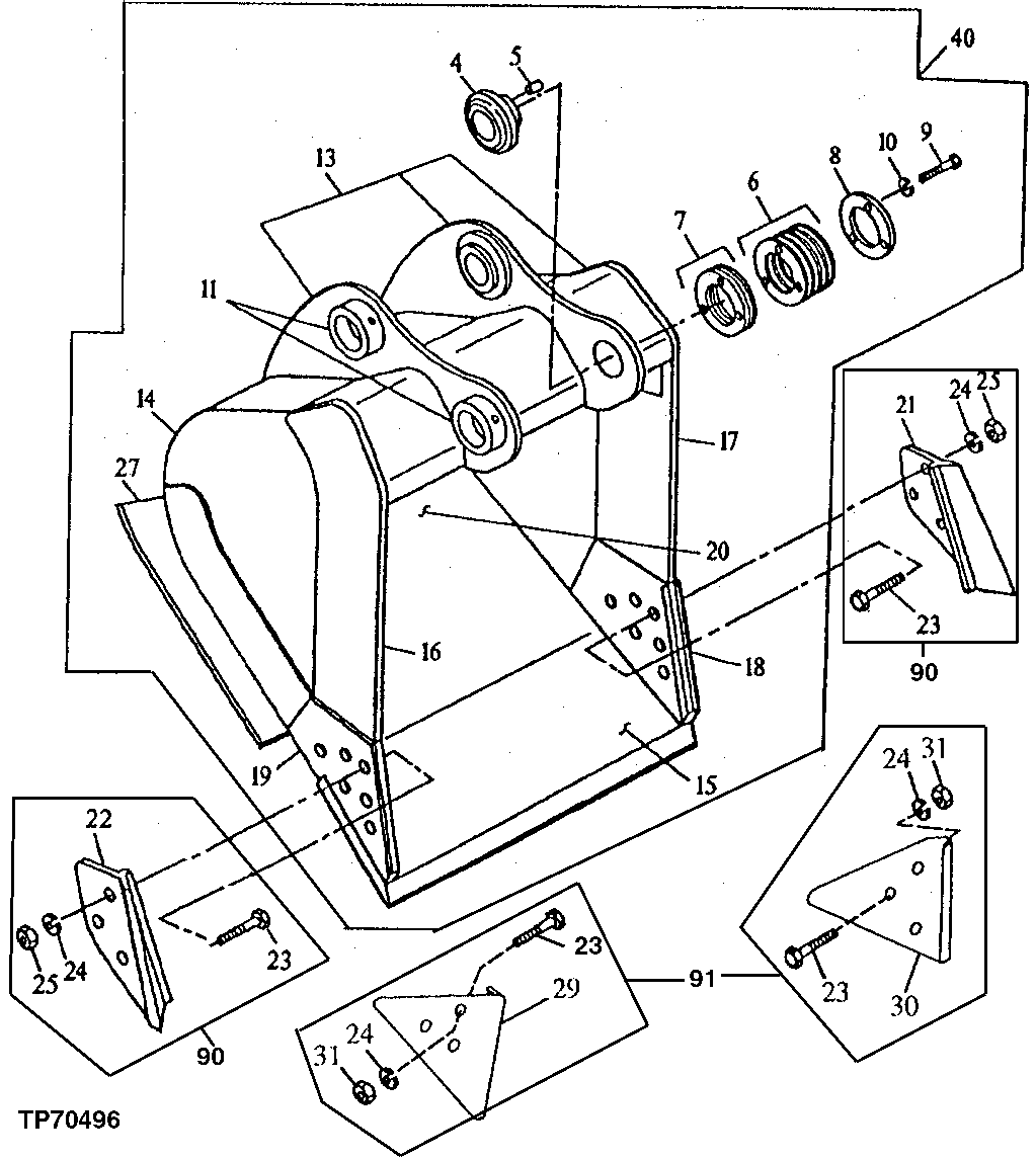
4

AT131084

Bushing

1шт.

5

R48685

Dowel Pin

1шт.

6

TH102460

Washer

(1 MM)

6шт.

7

TH102461

Shim

(.5 MM)

2шт.

8

TH102463

Plate

1шт.

9

19H2706

Cap Screw

5/8" X 2"

3шт.

10

12H294

Lock Washer

5/8"

3шт.

11

TH102409

Bushing

2шт.

13

C603692

Pivot

(F) (BUCKET EAR BLANK ASSEMBLY)

1шт.

14

300804

Plate

(F) (RH / LH)

2шт.

15

AT171742

Cutting Edge

(F) (SUB FOR AT131092, THIS APPLICATION)( CUT TO LENGTH) (USE WITH 36 INCH) (BUCKET)

1шт.

Cutting Edge

(F) (CUT TO LENGTH) (USE WITH 42 INC H) (BUCKET) ( AT131093, AT131094 NLA)

1шт.

16

300526

Vertical Cutter

(F) (UPPER RH)

1шт.

17

300527

Vertical Cutter

(F) (UPPER LH)

1шт.

18

300803

Vertical Cutter

(F) (LH)

1шт.

19

300802

Vertical Cutter

(F) (RH)

1шт.

20

600444

Moldboard

(F) (36 INCH)

1шт.

600445

Moldboard

(F) (42 INCH)

1шт.

21

Cutting Edge

(SUB AT131085)

1шт.

22

Cutting Edge

(SUB AT131085)

1шт.

23

09H1771

Bolt

7/8" X 3"

6шт.

24

12H245

Lock Washer

7/8"

6шт.

25

14H1077

Nut

7/8"

6шт.

27

606121

Bar

(F) (WEAR)(36 INCH)

1шт.

606122

Bar

(F) (WEAR)(42 INCH)

1шт.

29

Shroud

(WEAR) (SUB AT167876)

1шт.

30

Shroud

(WEAR) (SUB AT167876)

1шт.

31

14H1044

Nut

7/8" (K2)

6шт.

40

Excavator Bucket

( AT131044, AT163642 OR AT171743 NLA) WHOLEGOODS (36 INCH - 1.16 CUBIC YARD)

1шт.

Excavator Bucket

( AT131045, AT163642 OR AT171745 NLA) WHOLEGOODS (42 INCH - 1.38 CUBIC YARD)

1шт.

90

Kit

(WOODS-CENTRAL FABRICATORS PART NO. C15 029) (SIDE CUTTER KIT) ( AT131085 NLA)

1шт.

91

Kit

(WOODS-CENTRAL FABRICATORS PART NO. C279 94) (EDGE PROTECTOR KIT) ( AT167876 NLA)

1шт.

Выбрано товаров: 32