Запчасти John Deere 90ELC 200 - Severe Duty Plate Lip Bucket (Also Order Bucket Tooth Assemblies) 3302 BUCKETS, TEETH, SHANKS AND SIDECUTTERS

Схема запчастей John Deere 90ELC - 200 - Severe Duty Plate Lip Bucket (Also Order Bucket Tooth Assemblies) 3302 BUCKETS, TEETH, SHANKS AND SIDECUTTERS
FIT
1:1
100%

Артикул

Название

Примечание

Количество

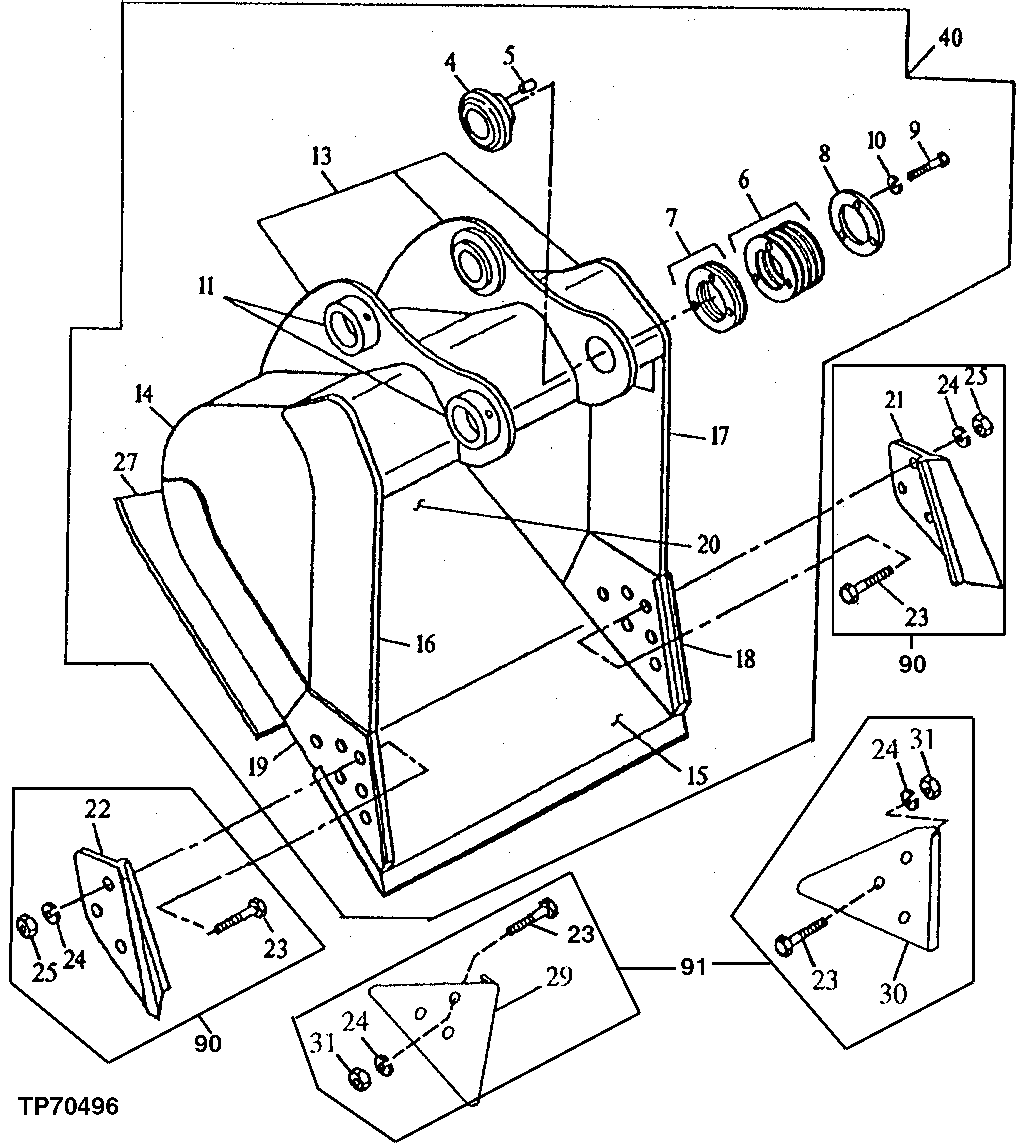
4

AT131084

Bushing

1шт.

5

R48685

Dowel Pin

1шт.

6

TH102460

Washer

(1 MM)

6шт.

7

TH102461

Shim

(.5 MM)

2шт.

8

TH102463

Plate

1шт.

9

19H2706

Cap Screw

5/8" X 2"

3шт.

10

12H294

Lock Washer

5/8"

3шт.

11

TH102409

Bushing

2шт.

13

C603692

Pivot

(F) (BUCKET EAR BLANK ASSEMBLY)

1шт.

14

304371

Plate

(F) (RH / LH)

2шт.

15

AT131097

Dura-Max Cutting Edge

(CUT TO LENGTH)

1шт.

16

304368

Vertical Cutter

(F) (UPPER RH)

1шт.

17

304367

Vertical Cutter

(F) (UPPER LH)

1шт.

18

304369

Vertical Cutter

(F) (LH)

1шт.

19

304370

Vertical Cutter

(F) (RH)

1шт.

20

603868

Moldboard

(F) (30 INCH)

1шт.

603869

Moldboard

(F) (36 INCH)

1шт.

603870

Moldboard

(F) (42 INCH)

1шт.

21

Cutting Edge

(SUB AT131085)

1шт.

22

Cutting Edge

(SUB AT131085)

1шт.

23

09H1771

Bolt

7/8" X 3"

6шт.

24

12H245

Lock Washer

7/8"

6шт.

25

14H1077

Nut

7/8"

6шт.

27

603873

Bar

(F) (WEAR)(30 INCH)

1шт.

603874

Bar

(F) (WEAR)(36 INCH)

1шт.

603875

Bar

(F) (WEAR)(42 INCH)

1шт.

29

Shroud

(WEAR) (SUB AT167876)

1шт.

30

Shroud

(WEAR) (SUB AT167876)

1шт.

31

14H1044

Nut

7/8" (K2)

6шт.

40

Excavator Bucket

(A) (SUB AT332714)( AT131046, AT131166 OR AT163645 NLA) WHOLE GOODS (30 INCH- .95 CUBIC YARD)

1шт.

Excavator Bucket

(A) (SUB AT332715)( AT131047, AT131167 OR AT163646 NLA) WHOLE GOODS (36 INCH - 1.16 CUBIC YARD )

1шт.

Excavator Bucket

(A) (SUB AT332716)( AT131048, AT131168 OR AT163647 NLA) WHOLE GOODS (42 INCH - 1.38 CUBIC YARD )

1шт.

90

Kit

(WOODS-CENTRAL FABRICATORS PART NO. C15 029) (SIDE CUTTER KIT) ( AT131085 NLA)

1шт.

91

Kit

(WOODS-CENTRAL FABRICATORS PART NO. C279 94) (EDGE PROTECTOR KIT) ( AT167876 NLA)

1шт.

Выбрано товаров: 34