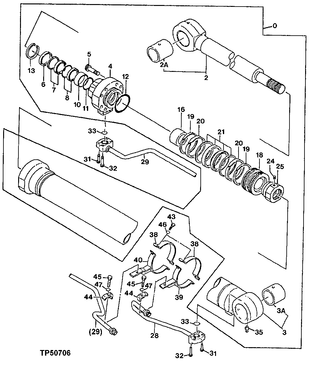
Запчасти John Deere 90ELC 275 - Right Boom Cylinder 3360 HYDRAULIC SYSTEM

Схема запчастей John Deere 90ELC - 275 - Right Boom Cylinder 3360 HYDRAULIC SYSTEM
FIT
1:1
100%

Артикул

Название

Примечание

Количество

0

AT264214

Hydraulic Cylinder Reman

USE IF AVAILABLE SUB AT 185406; SUB FOR AT154864

1шт.

2

Compressor Rod

AT154812 AND 7021845 NLA

1шт.

2A

3054062

Bushing

SUB FOR AT154689

1шт.

3

4645991

Tube

SUB FOR AT154814 OR 9121232

1шт.

3A

3054062

Bushing

SUB FOR AT154689

1шт.

4

1023338

Hydr. Cylinder Rod Guide

SUB FOR AT154635; ALSO ORDER AT181 238 AND AT181239; SUB FOR AT181237

1шт.

5

M342280

Screw

SUB FOR TH110086

8шт.

6

T204375

Seal

(K) SUB FOR AT181238 AND AT264293; SUB FOR TH110017, THIS APPLICATION

1шт.

7

AT264395

Seal

(K) SUB FOR TH110018

1шт.

8

Ring

(K)

1шт.

10

AT264321

Bushing

(K) SUB FOR AT154779 OR AT264273

1шт.

11

4264983

Snap Ring

SUB FOR AT131251

1шт.

12

AT264271

O-Ring

(K) SUB FOR AT154736

1шт.

13

4369507

Ring

RETAINING SUB FOR AT181239

1шт.

16

4371498

Spacer

SUB FOR AT154737; SUB FOR AT217812

1шт.

18

3050116

Piston

SUB FOR AT154678

1шт.

19

AT264265

Ring

SUB FOR AT154700

2шт.

20

AT264270

Wear Ring

SUB FOR AT154735

2шт.

21

Ring

(K)

1шт.

24

4201805

Set Screw

SUB FOR TH110037

1шт.

25

3050115

Nut

SUB FOR AT154677

1шт.

28

8046949

Line

SUB FOR AT154823

1шт.

29

8046953

Line

SUB FOR AT154827

1шт.

31

19M8341

Screw

M12 X 45

4шт.

32

19M8444

Screw

M12 X 60

4шт.

33

AT264324

O-Ring

(K) SUB FOR TH100044

2шт.

35

TH100074

Lubrication Fitting

1шт.

38

3050114

Clamp

WHEN USED WITH AT154635 OR AT181237 CYLINDE R HEAD ORDER (2) AT154676; SUB FOR AT154676

1шт.

39

8063900

Clamp

SUB FOR AT154822, THIS APP LICATION; SUB FOR AT181241

1шт.

40

8052651

Clamp

SUB FOR AT154843

1шт.

43

19M7550

Cap Screw

M10 X 35 WHEN USED WITH AT154635 OR AT 181237 CYLINDER HEAD) ORDER (4) 19M7550

2шт.

44

4363058

Clamp

WHEN USED WITH AT154635 OR AT181237 CYLI NDER HEAD SUB FOR TH100947, THIS APPLICAT ION; ORDER (2) AT181242 SUB FOR AT181242

1шт.

45

19M8348

Cap Screw

M12 X 65 WHEN USED WITH AT154635 OR AT 181237 CYLINDER HEAD ORDER (2) 19M8348

1шт.

46

12M7066

Lock Washer

10 mm

4шт.

47

12H301

Lock Washer

1/2"

2шт.

48

AT196466

Seal Kit

MARKED WITH K; NOT ILLUSTRATED

1шт.

Выбрано товаров: 36