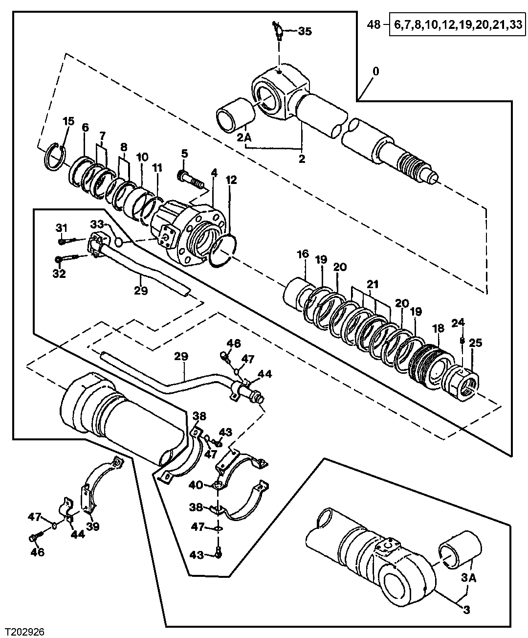
Запчасти John Deere 90ELC 277 - Arm Cylinder 3360 HYDRAULIC SYSTEM

Схема запчастей John Deere 90ELC - 277 - Arm Cylinder 3360 HYDRAULIC SYSTEM
FIT
1:1
100%

Артикул

Название

Примечание

Количество

0

AT264194

Hydraulic Cylinder Reman

(NLA) (SUB FOR AT154865, AT185409, 9178 500) Remanufactured Arm Order Components

1шт.

2

4645898

Rod

(SUB FOR AT154810 AND 7021734)

1шт.

2A

3031788

Bushing

(SUB FOR TH110045)

1шт.

3

Tube

(SUB FOR AT154811, AT178705 ) (S UB 9178501)(CYLINDER SERIAL NUMBE R) ( AT185410 NO LONGER AVAILABLE )

1шт.

9178501

Tube

(SUB FOR AT178705) (SUB FOR AT 185410) Cylinder Serial Number

1шт.

3A

3031788

Bushing

(SUB FOR TH110045)

1шт.

4

Hydr. Cylinder Rod Guide

( AT178706 NLA) (SUB FOR AT154629)

1шт.

1023339

Hydr. Cylinder Rod Guide

(ALSO ORDER 4369509) (SUB FOR AT217721)

1шт.

5

19M8630

Screw

M24 X 80

8шт.

6

AT264277

Seal

(SUB FOR TH110048, THIS APPLICAT ION ) (SUB FOR AT181247, 4348207)

1шт.

7

AT264398

Seal

(SUB FOR TH110049)

1шт.

8

AT264279

Ring

(SUB FOR AT181790)

1шт.

10

AT264237

Bushing

(SUB FOR AT131414)

1шт.

11

4267139

Snap Ring

(SUB FOR AT130817)

1шт.

12

AT264274

O-Ring

(SUB FOR AT159582, 4267138, AT264433) Included With Kit

1шт.

AT264268

O-Ring

(INCLUDED WITH KIT AT19 6467) (SUB FOR AT154722)

1шт.

15

4369509

Ring

(SUB FOR AT181248) Retaining

1шт.

16

4244049

Ring

(SUB FOR AT154705)

1шт.

18

3049760

Piston

(SUB FOR AT154666)

1шт.

19

AT264397

Ring

(SUB FOR TH110033)

2шт.

20

AT264266

Wear Ring

(SUB FOR AT154718, 4252191)

2шт.

21

AT264297

Seal

(SUB FOR TH110036, AT218148)

1шт.

24

4201806

Set Screw

(SUB FOR TH110066)

1шт.

25

3046744

Nut

(SUB FOR AT154659)

1шт.

29

8052586

Line

(SUB FOR AT154842)

1шт.

31

19M8341

Screw

M12 X 45

2шт.

32

19M8444

Screw

M12 X 60

2шт.

33

AT264324

O-Ring

(SUB FOR TH100044) Use If Available

1шт.

AT264324

O-Ring

(SUB FOR T32587, TH100044)

1шт.

35

T116334

Lubrication Fitting

1шт.

38

3049761

Clamp

(SUB FOR AT154667)

2шт.

39

8046730

Clamp

(SUB FOR AT154820)

1шт.

40

8046731

Clamp

(SUB FOR AT154821)

1шт.

43

19M7550

Cap Screw

M10 X 35

4шт.

44

4194152

Clamp

(SUB FOR TH110029)

2шт.

46

19M7402

Cap Screw

M10 X 25

4шт.

47

12M7066

Lock Washer

10 mm

8шт.

48

AT196467

Seal Kit

(SUB FOR AT154868 AND 9103843) (USE WITH 102 3339) Use Before Cylinder Serial No. HJ900100

1шт.

AT264433

Seal Kit

(NLA) (ORDER 9178284) (SUB FOR AT183658 ) (SUB FOR AT181246 OR AT217906) Use Wi th Cylinder Serial No. HJ900101 And Late r

1шт.

49

9178284

Seal Kit

(INCLUDES AT264277, AT264398, AT26427 9, AT264274, AT264297) Not Illustrated

1шт.

Выбрано товаров: 40