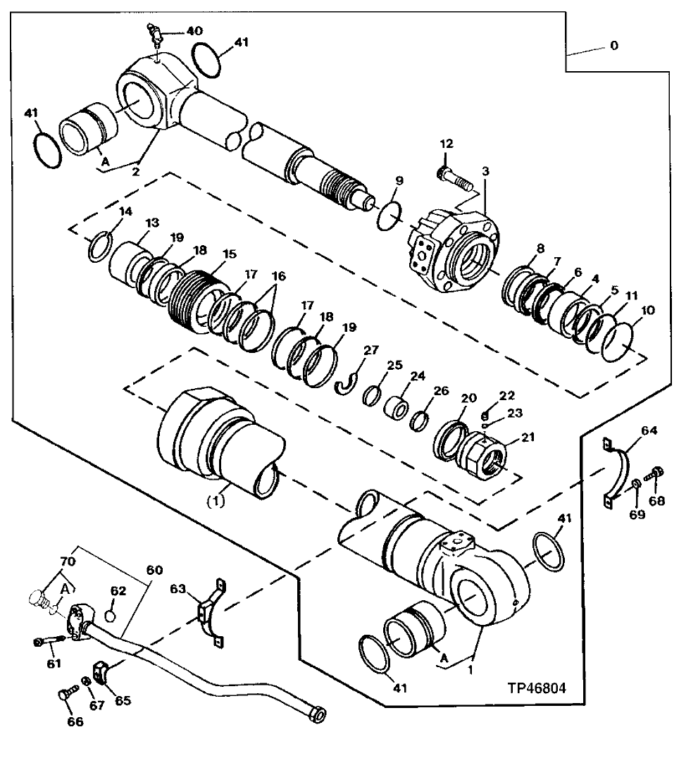
Запчасти John Deere 90ELC 278 - Arm Cylinder, Super Long Front 3360 HYDRAULIC SYSTEM

Схема запчастей John Deere 90ELC - 278 - Arm Cylinder, Super Long Front 3360 HYDRAULIC SYSTEM
FIT
1:1
100%

Артикул

Название

Примечание

Количество

0

4322741

Cylinder

NLA, SUB FOR AT161589 Arm, Super Long Front

1шт.

1

4322742

Structural Tube

SUB FOR AT161591

1шт.

1A

0237404

Bushing

SUB FOR TH102831

1шт.

2

4322743

Rod

SUB FOR AT161593

1шт.

2A

0237404

Bushing

SUB FOR TH102831

1шт.

3

0492203

Cylinder Head

SUB FOR AT161595

1шт.

4

0373405

Bushing

SUB FOR AT161596

1шт.

5

0237205

Ring

SUB FOR TH102807

1шт.

6

Ring

(K)

1шт.

7

Ring

(K)

1шт.

8

0237215

Back-Up Ring

(K) SUB FOR TH102820

1шт.

9

0492216

Seal

(K) SUB FOR TH102821, SUB FOR AT176735

1шт.

10

A811140

O-Ring

(K) 139.400 X 3.100 mm SUB FOR TH111062

1шт.

11

Back-Up Ring

(K)

1шт.

12

0482711

Bolt

(A) SUB FOR AT161600

12шт.

0714306

Bolt

(B)

12шт.

13

0492205

Ring

SUB FOR AT161602

1шт.

14

Seal

(K)

1шт.

15

0492217

Piston

SUB FOR AT161604, USE IF AVAILABLE

1шт.

0492217

Piston

SUB FOR AT161604, SUB FOR AT176736

1шт.

16

Back-Up Ring

(K)

1шт.

17

Back-Up Ring

(K)

2шт.

18

0492209

Ring

(K) SUB FOR AT161607

2шт.

19

4S00804

Ring

SUB FOR AT161608, 0373413

2шт.

20

0373414

Shim

SUB FOR AT161609

1шт.

21

0373415

Nut

SUB FOR AT161610

1шт.

22

H228111

Set Screw

SUB FOR AT132294 OR 0352715

1шт.

23

R26552

Ball

7.938 mm

1шт.

24

0492210

Bearing

SUB FOR AT161611

1шт.

25

Ring

(K)

1шт.

26

0492212

Stop

SUB FOR AT161613

2шт.

27

0492213

Snap Ring

SUB FOR AT161614

1шт.

40

TH100074

Lubrication Fitting

1шт.

41

TH102445

Seal

I.D. 100 MM - O.D. 115 MM

4шт.

60

0492214

Line

(A) SUB FOR AT161615

1шт.

0492214

Line

(B)

1шт.

61

M800636

Screw

M12 X 55

4шт.

19M8448

Screw

(B) M12 X 35

4шт.

62

AT264348

O-Ring

SUB FOR TH102788

1шт.

63

0492215

Band

SUB FOR AT161616

1шт.

64

0387311

Band

SUB FOR AT161617

1шт.

65

0309219J

Half Clamp

SUB FOR 0309219, SUB FOR T108064

1шт.

66

19M7363

Cap Screw

M12 X 60

2шт.

67

12M7058

Lock Washer

12 mm SUB FOR 12M7067

2шт.

68

19M7550

Cap Screw

M10 X 35 SUB FOR AT153924

1шт.

69

12M7066

Lock Washer

10 mm

1шт.

70

A885008

Pipe Plug

SUB FOR 4113926 AND AT126200

1шт.

70A

TH101926

O-Ring

28.700 X 3.500 mm

1шт.

Выбрано товаров: 48