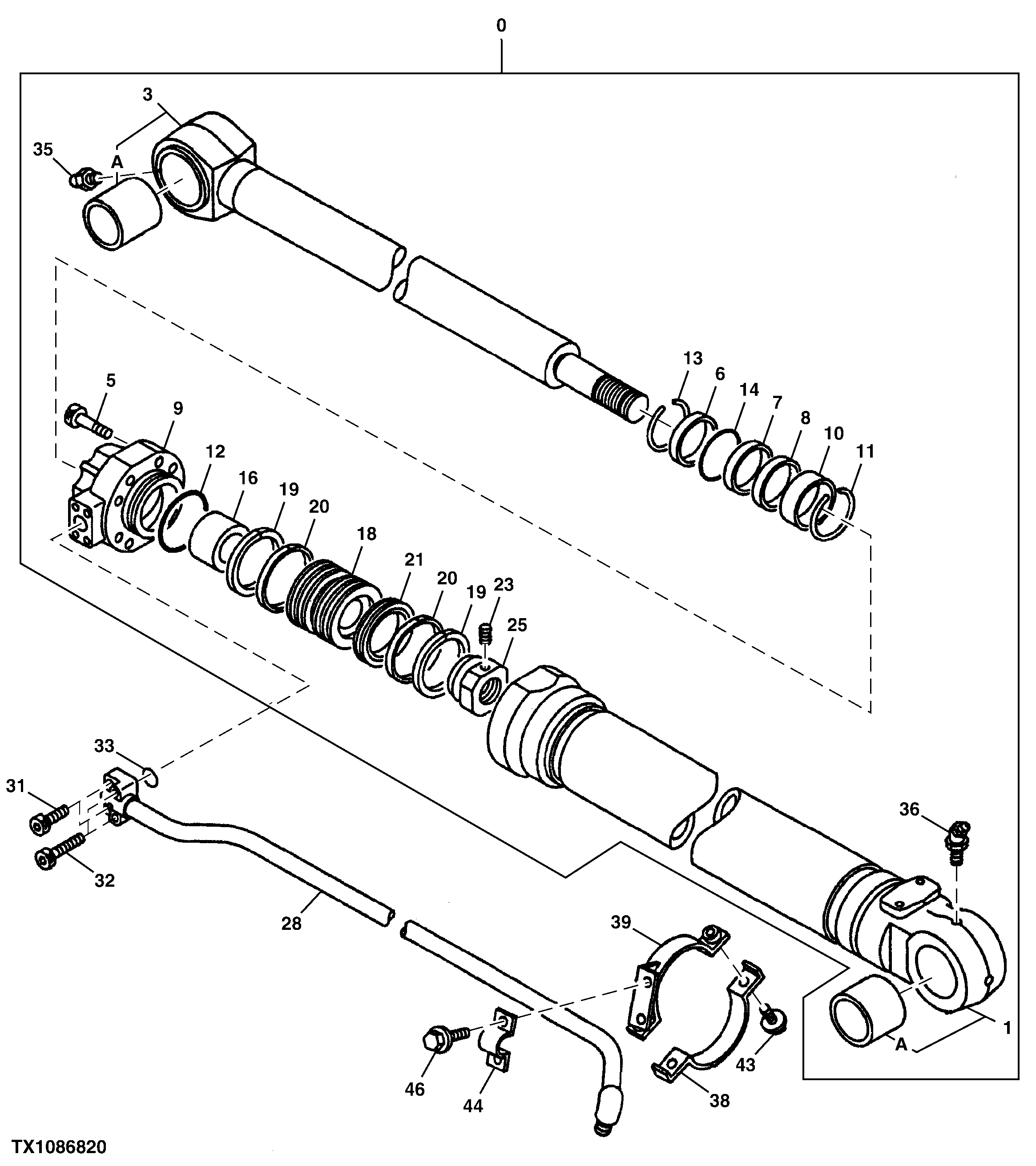
Запчасти John Deere 90ELC 280 - Replacement Bucket Cylinder 3360 HYDRAULIC SYSTEM

Схема запчастей John Deere 90ELC - 280 - Replacement Bucket Cylinder 3360 HYDRAULIC SYSTEM
FIT
1:1
100%

Артикул

Название

Примечание

Количество

0

9264697

Cylinder

REMAN; SUB FOR AT154866; SU B FOR AT182459 AND 9166813EX

1шт.

1

4645993

Tube

SUB FOR AT154815 OR 9121234

1шт.

1A

3031788

Bushing

SUB FOR TH110045

1шт.

3

4645896

Piston

SUB FOR 4645899, AT154813 OR 7021846

1шт.

3A

3031789

Bushing

SUB FOR TH110072

1шт.

5

M342280

Screw

SUB FOR TH110086

8шт.

6

AT264278

Seal

(A) SUB FOR AT217758, 4348174

1шт.

7

4414050

Seal

(A)

1шт.

8

AT264269

Seal

(A) SUB FOR 4414049

1шт.

9

1023340

Cylinder Head

SUB FOR AT181249; SUB FOR AT2177 22, ALONG WITH AT217758, AT181252

1шт.

10

AT264272

Bushing

(A) SUB FOR T108019, AT154778, 4272960

1шт.

11

4272974

Snap Ring

SUB FOR AT154781

1шт.

12

AT264271

O-Ring

(A) SUB FOR AT154736, 4253563

1шт.

13

4373693

Ring

SUB FOR AT181252

1шт.

14

AT280427

Ring

(A)

1шт.

16

4253558

Ring

SUB FOR AT154731

1шт.

18

3050116

Piston

SUB FOR AT154678

1шт.

19

AT264265

Ring

(A) SUB FOR AT154700

2шт.

20

AT264270

Wear Ring

(A) SUB FOR AT154735

2шт.

21

4375665

Seal

(A) SUB FOR AT218147

1шт.

23

4201806

Set Screw

SUB FOR TH110066

1шт.

25

3050115

Nut

SUB FOR AT154677

1шт.

28

8046951

Line

SUB FOR AT154825

1шт.

31

19M8341

Screw

M12 X 45

2шт.

32

19M8444

Screw

M12 X 60

2шт.

33

AT264324

O-Ring

(A) SUB FOR TH100044

1шт.

35

TH100074

Lubrication Fitting

1шт.

36

T116334

Lubrication Fitting

1шт.

38

3050114

Clamp

SUB FOR AT154676

1шт.

39

8046957

Clamp

SUB FOR AT154829

1шт.

43

19M7550

Cap Screw

M10 X 35

2шт.

12M7066

Lock Washer

10 mm

2шт.

44

4194152

Clamp

SUB FOR TH110029

1шт.

46

19M7402

Cap Screw

M10 X 25

2шт.

12M7066

Lock Washer

10 mm

2шт.

50

Seal Kit

Includes All Parts Marked (A) Not Il lustrated SUB FOR 9144508, 9165336 OR AT181250; AT264429 NLA; SUB 9178294

1шт.

51

9178294

Seal Kit

INCLUDES AT264278, 4414050, AT264269, (1) AT264271, AT264296; ALSO ORDER (2) AT264265, (2) AT264270 Not Illustrated

1шт.

Выбрано товаров: 0