Запчасти John Deere 90ELC 296 - BOOM CYLINDER LOAD LOWERING VALVE KIT 3360 HYDRAULIC SYSTEM

Схема запчастей John Deere 90ELC - 296 - BOOM CYLINDER LOAD LOWERING VALVE KIT 3360 HYDRAULIC SYSTEM
FIT
1:1
100%

Артикул

Название

Примечание

Количество

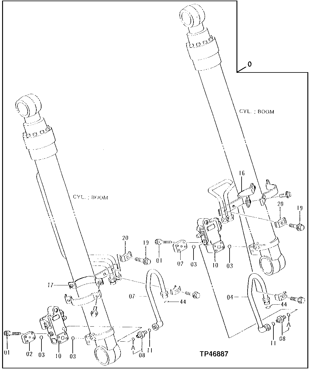
0

Kit

( AT171160 NO LONGER AVAILABLE) (BOO M CYLINDER LOAD LOWERING VALVE) (CONTA INS ALL ITEMS ON THIS PAGE - ADDITIONA L COMPONENTS LISTED ON FOLLOWING PAGES )

1шт.

1

19M8442

Screw

M12 X 100

8шт.

2

Flange

(SUB FOR AT173711)( 4284614 NLA)

2шт.

3086613

Flange

(ALSO ORDER 4422953)

2шт.

3

AT264324

O-Ring

(SUB FOR TH100044)

4шт.

4

8060458

Oil Line

(SUB FOR AT173712)

1шт.

7

8060459

Oil Line

(SUB FOR AT173713)

1шт.

8

4189535

Adapter Fitting

2шт.

8A

TH101926

O-Ring

28.700 X 3.500 mm

1шт.

10

4311303

Flow Control Hyd. Valve

(SUB FOR AT173709)(HOLDING)

2шт.

11

T76938

O-Ring

23.520 X 1.780 mm

2шт.

16

8053746

Clamp

(SUB FOR AT173714)

1шт.

17

8053747

Clamp

(SUB FOR AT173715)

1шт.

19

19M8348

Cap Screw

M12 X 65

2шт.

20

4285723

Clamp

(SUB FOR TH109071 OR 4189859)

2шт.

44

T77858

O-Ring

18.771 X 1.778 mm

2шт.

45

4422953

Pipe Plug

(NOT ILLUSTRATED)

1шт.

Выбрано товаров: 17