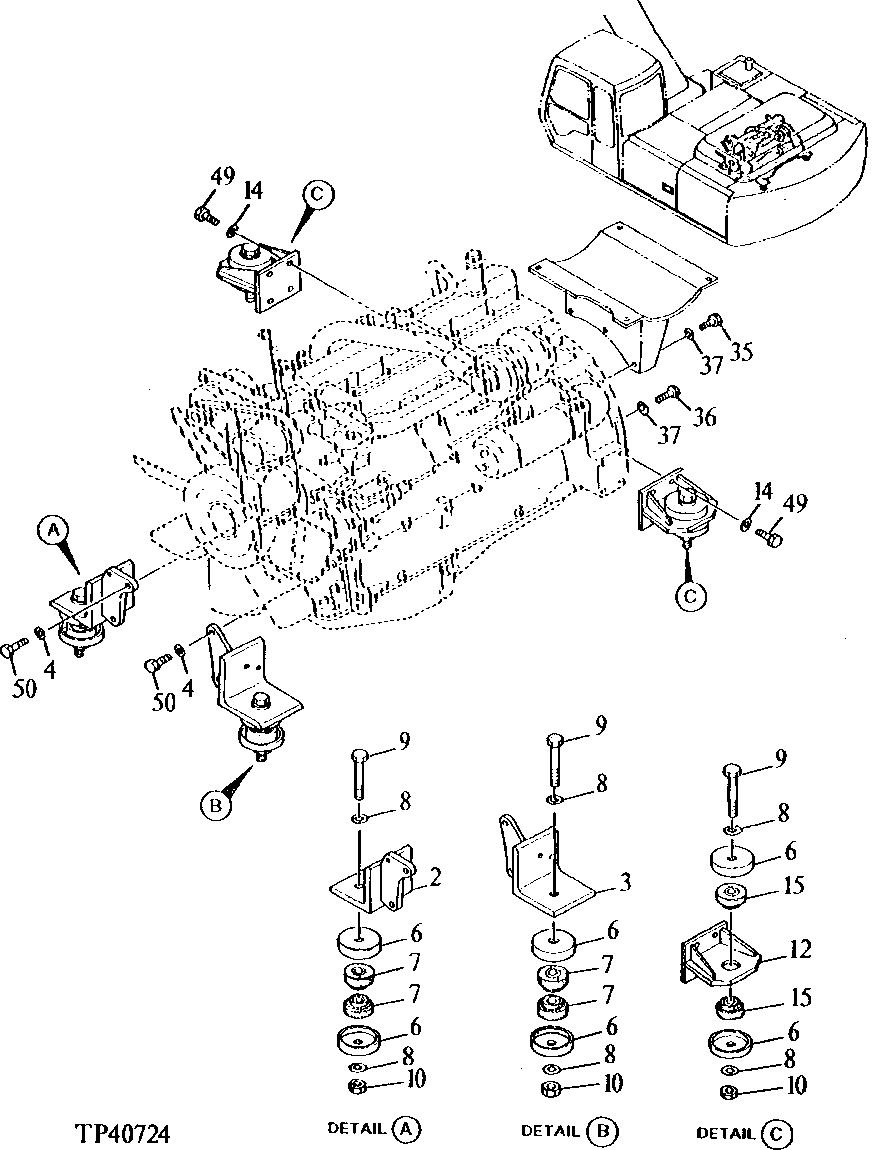
Запчасти John Deere 90ELC 21 - Engine 0400 REMOVAL AND INSTALLATION 6068TT005 6068TT005

Схема запчастей John Deere 90ELC - 21 - Engine 0400 REMOVAL AND INSTALLATION 6068TT005 6068TT005
FIT
1:1
100%

Артикул

Название

Примечание

Количество

2

8051820

Bracket

(SUB FOR AT155563)

1шт.

3

8051821

Bracket

(SUB FOR AT155564)

1шт.

4

4114405

Washer

(SUB FOR TH101105)

4шт.

6

4189018

Retainer

(SUB FOR TH109410)

8шт.

7

4256313

Isolator

(SUB FOR AT155272)

4шт.

8

4114406

Washer

(SUB FOR TH100891)

8шт.

9

J911816

Bolt

(SUB FOR TH110084)

4шт.

10

J951018

Nut

(SUB FOR TH100890)

4шт.

12

8051819

Bracket

(SUB FOR AT155562)

2шт.

14

4086891

Washer

(SUB FOR TH104166)

8шт.

15

4188649

Isolator

(SUB FOR AT155249)

4шт.

35

19H3385

Cap Screw

1/2" X 1-1/8"

3шт.

36

19H3483

Cap Screw

3/8" X 1-1/8"

5шт.

37

12H304

Lock Washer

3/8"

8шт.

49

19H3579

Cap Screw

1/2" X 1-3/8"

8шт.

50

19H2706

Cap Screw

5/8" X 2"

4шт.

Выбрано товаров: 16