Запчасти John Deere 90ELC 35 - Engine Oil Pump 0407 OILING SYSTEM 6068TT005 6068TT005

Схема запчастей John Deere 90ELC - 35 - Engine Oil Pump 0407 OILING SYSTEM 6068TT005 6068TT005
FIT
1:1
100%

Артикул

Название

Примечание

Количество

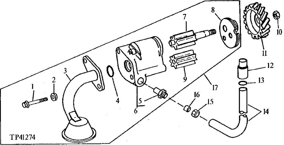
1

R116424

Screw

(SUB FOR R74552, THIS APPLICA TION ) (ALSO ORDER (2) R74553)

2шт.

2

R74553

Washer

(USE WITH R116424)

2шт.

3

RE56389

Oil Pump Intake

(SUB FOR AR66402 AND RE20853)

1шт.

4

R61871

O-Ring

1шт.

5

R79560

Adapter Fitting

1шт.

6

RE15490

Housing

(MARKED R54629)

1шт.

7

AR85788

Shaft

DRIVE, WITH GEAR (7 TEETH)

1шт.

8

R54632

Cover

1шт.

9

R66177

Gear

(7 TEETH)

1шт.

10

14H826

Nut

1/2"

1шт.

11

T20298

Gear

(33 TEETH)

1шт.

12

R115390

Bushing

1шт.

13

R97185

O-Ring

1шт.

14

R112867

Oil Tube

1шт.

15

R79562

Fitting

1шт.

16

R79563

Sleeve

1шт.

17

AR79466

Oil Pump

1шт.

Выбрано товаров: 17