Качественные детали и логистика
Оригинальные и аналоговые запчасти с доставкой по России, Казахстану и Беларуси
©2022 PartSell ООО "Система" ИНН 2463123282 ОГРН 1212400004838
Центральный офис: г. Красноярск, Академика Киренского, д.87, пом.4
Телефон: 8 (800) 777-65-74 Email: zakaz@partsell.ru
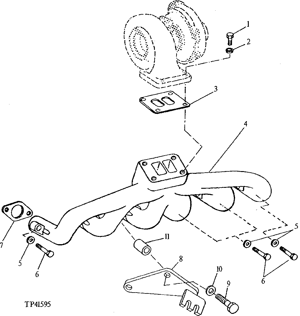
40 - Exhaust Manifold
№
Артикул
Название
Примечание
Количество
1
RE57724
Screw
(SUB FOR R54500, THIS APPLICATION)
4шт.
2
24H1305
Washer
13/32" X 13/16" X 0.065"
3
R123572
Gasket
(SUB FOR R89879, THIS APPLICATION)
1шт.
4
R105606
Exhaust Manifold
5
24M7106
10 X 18 X 2.500 mm
ARшт.
6
19H3743
3/8" X 2-7/8"
12шт.
7
R90658
6шт.
8
AT111972
Plate
9
19H3329
Cap Screw
3/8" X 5-3/4"
2шт.
10
( 24M7239 NO LONGER REQUIRED)
11
N116128
Bushing
10.338 X 15.875 X 66.548 mm
Выбрано товаров: 0