Запчасти John Deere 92DLC 132 - Gear Pump 2160 HYDRAULIC SYSTEM

Схема запчастей John Deere 92DLC - 132 - Gear Pump 2160 HYDRAULIC SYSTEM
FIT
1:1
100%

Артикул

Название

Примечание

Количество

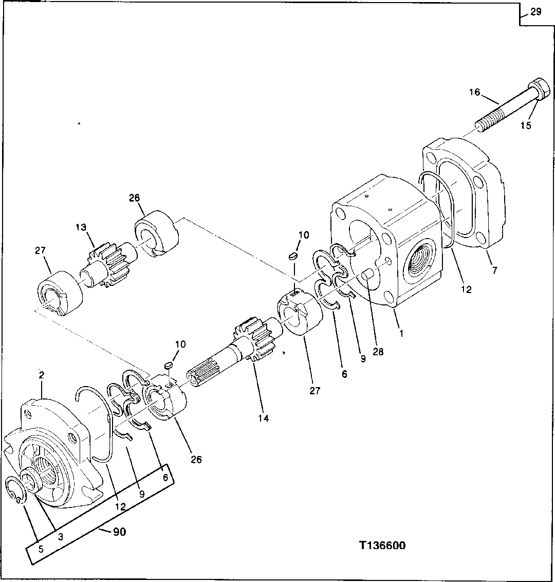
1

Housing

1шт.

2

Flange

1шт.

3

0408202

Seal

(A) (SUB FOR TH109917 ) (SUB FOR AT153880)

1шт.

5

40M1855

Snap Ring

(A)

1шт.

6

Seal

(A)

2шт.

7

Cover

1шт.

9

Back-Up Ring

(A)

2шт.

10

4206162

Key

(SUB FOR TH109921)

2шт.

12

4488720

O-Ring

(A) (SUB FOR 4206163, TH10 9922, 0354608 OR TH0354608)

2шт.

13

Gear

(SUB TH109457)

1шт.

14

Gear

(SUB TH109457)

1шт.

15

0266736

Washer

(SUB FOR TH105196)

4шт.

16

19M8093

Cap Screw

M10 X 100

4шт.

26

Bushing

(SUB TH109457)

2шт.

27

Bushing

(SUB TH109457)

2шт.

28

4206166

Dowel Pin

(SUB FOR TH109925)

2шт.

29

9217993

Pump

(SUB FOR TH109457 AND 4181700)

1шт.

90

0408207

Seal Kit

(INCLUDES ALL PARTS MARKE D (A)) (SUB FOR AT153885)

1шт.

Выбрано товаров: 18