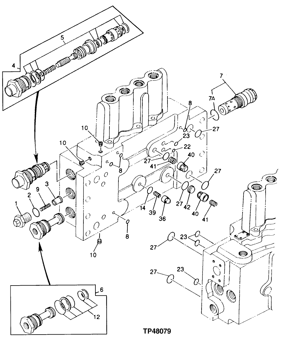
Запчасти John Deere 92DLC 173 - Control Valve 3360 HYDRAULIC SYSTEM

Схема запчастей John Deere 92DLC - 173 - Control Valve 3360 HYDRAULIC SYSTEM
FIT
1:1
100%

Артикул

Название

Примечание

Количество

1

0496323

Fitting Plug

(SUB FOR AT204926)

1шт.

2

U17409

O-Ring

26.594 X 2.946 mm

1шт.

3

0496312

Poppet

(SUB FOR AT168183)

1шт.

4

4282693

Flow Control Hyd. Valve

(SUB FOR AT131218)(FLOW COMBINER)

1шт.

5

4282906

Seal

(SUB FOR AT131219)

1шт.

6

0332202

Drain Plug

(SUB FOR TH111080)

1шт.

7

0309709

Pressure Relief Valve

(SUB FOR TH109974)(FLOW SENSING)

1шт.

7A

U17409

O-Ring

26.594 X 2.946 mm

1шт.

8

CH11568

Packing

(SUB FOR TH111689, TH104588 AND 4506407)

4шт.

9

0309728

Spring

(SUB FOR TH109997)

1шт.

10

94-2010

Fitting Plug

(SUB FOR TH100689)

3шт.

12

4282906

Seal

(SUB FOR AT131219)

1шт.

14

AT264333

O-Ring

(SUB FOR 4226443, TH111687, 4028265)

1шт.

22

T111819

O-Ring

(SUB FOR TH111688, 4506415)

1шт.

23

4506418

O-Ring

(SUB FOR TH111686)

4шт.

27

CH17886

Packing

(SUB FOR TH111690 ) (SUB FOR 4509182)

6шт.

36

0309604

Poppet

(SUB FOR TH111966)

1шт.

39

0309605

Spring

(SUB FOR TH111967)

1шт.

40

0309608

Poppet

(SUB FOR TH111968)

2шт.

41

0309606

Spring

(SUB FOR TH111969)

2шт.

42

0309607

Seat

(SUB FOR TH111970)

1шт.

50

4224898

Hyd Actuated Control Valve

(NOT ILLUSTRATED) (CONTAINS ALL ITE MS ON THIS PAGE, ADDITIONAL COMPONEN TS LISTED ON PREVIOUS PAGES) (SUB FO R AT205874, AT186103 AND 4224898EX)

1шт.

Выбрано товаров: 22