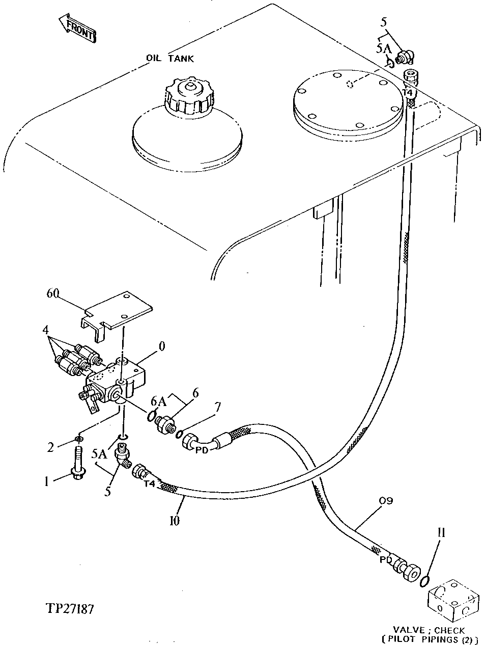
Запчасти John Deere 92DLC 183 - PILOT PIPINGS 3360 HYDRAULIC SYSTEM

Схема запчастей John Deere 92DLC - 183 - PILOT PIPINGS 3360 HYDRAULIC SYSTEM
FIT
1:1
100%

Артикул

Название

Примечание

Количество

0

4179025

Flow Control Hyd. Valve

(SUB FOR TH108432)

1шт.

1

19M7329

Cap Screw

M10 X 75

2шт.

2

12M7066

Lock Washer

10 mm

2шт.

4

Filter

( 4188687 NLA) (SUB FOR TH108433)

3шт.

5

A852333

Elbow Fitting

(SUB FOR TH101047 ) (SUB FOR 4154671)

2шт.

5A

CH11570

O-Ring

1шт.

6

4189602

Fitting

(SUB FOR TH108350)

1шт.

6A

4506418

O-Ring

(SUB FOR U46489)

1шт.

7

T77857

O-Ring

2шт.

9

AT168175

Hydraulic Hose

(SUB FOR AT81832)(PD)

1шт.

10

AH83490

Hydraulic Hose

(T4)

1шт.

11

T77857

O-Ring

1шт.

60

4218688

Stop

(SUB FOR TH110769)

1шт.

Выбрано товаров: 13