Запчасти John Deere 92DLC 210 - Swing Motor 4360 HYDRAULIC SYSTEM

Схема запчастей John Deere 92DLC - 210 - Swing Motor 4360 HYDRAULIC SYSTEM
FIT
1:1
100%

Артикул

Название

Примечание

Количество

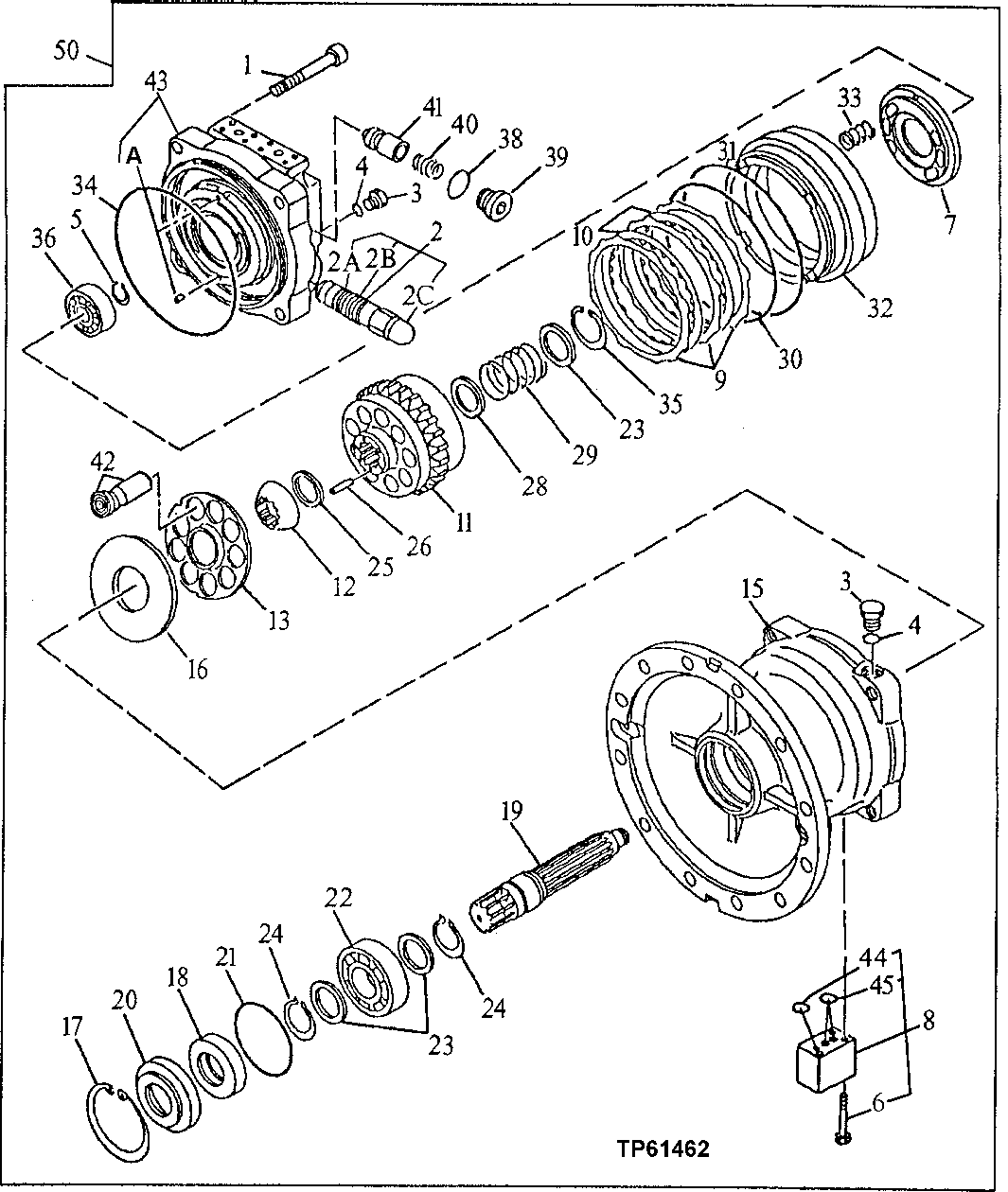
1

0365417

Screw

SUB FOR TH112046

4шт.

2

0326903

Pressure Relief Valve

SUB FOR AT205758 OR 0365403, INCLUDES T H103950 O-RING AND TH112007 BACK-UP RING

2шт.

2A

A811025

O-Ring

SUB FOR TH103950, O.D. OF INTERNAL END OF TH111078

1шт.

2B

0177007

Back-Up Ring

SUB FOR TH112007

1шт.

2C

4269432

Cap

SUB FOR AT134343

1шт.

3

0236014

Fitting Plug

SUB FOR TH102650

3шт.

4

M800650

Packing

3шт.

5

40M7195

Snap Ring

1шт.

6

19M7685

Cap Screw

M6 X 70

3шт.

7

0496105

Plate

SUB FOR AT167716

1шт.

8

0365303

Flow Control Hyd. Valve

SUB FOR TH112031

1шт.

9

0365429

Plate

SUB FOR TH112062

3шт.

10

0365428

Plate

SUB FOR TH112061

2шт.

11

0496104

Cylinder

SUB FOR AT167737

1шт.

12

0365407

Bushing

SUB FOR TH112036

1шт.

13

0365412

Pressed Flanged Housing

SUB FOR TH112041

1шт.

15

Housing

AT181741 OR 0729901 NLA

1шт.

16

0365413

Washer

SUB FOR TH112042

1шт.

17

40M7045

Snap Ring

1шт.

18

0251914

Seal

SUB FOR TH109952

1шт.

19

0365404

Shaft

SUB FOR TH112033

1шт.

20

0365416

Cover

SUB FOR TH112045

1шт.

21

AT264320

O-Ring

SUB FOR T110448

1шт.

22

AT132384

Cylindrical Roller Bearing

1шт.

23

0365405

Washer

SUB FOR TH112034

3шт.

24

40M7166

Snap Ring

2шт.

25

0365410

Washer

SUB FOR TH112039

1шт.

26

0365409

Pin

SUB FOR TH112038

12шт.

28

0365411

Washer

SUB FOR TH112040

1шт.

29

0365408

Spring

SUB FOR TH112037

1шт.

30

U42016

O-Ring

1шт.

31

0365427

O-Ring

SUB FOR TH112059, 0411 419, 4S00240 OR 4S01093

1шт.

32

0365425

Piston

SUB FOR TH112057

1шт.

33

0365331

Spring

SUB FOR TH112060

22шт.

34

0365430

O-Ring

SUB FOR TH112054

1шт.

35

40M7043

Snap Ring

1шт.

36

0365324

Bearing

SUB FOR TH112052

1шт.

38

AT264347

O-Ring

SUB FOR TH100136 OR 4506428

2шт.

39

15M7027

Drain Plug

2шт.

40

0236009

Spring

SUB FOR TH102638

2шт.

41

0236006

Plunger

SUB FOR TH102635

2шт.

42

0365401

Piston

SUB FOR TH112029

9шт.

43

0365432

Housing

SUB FOR AT181741 UP TO SWING MO TOR SERIAL NUMBER 67372547, SUB FOR TH112044, ALONG WITH 0365431

1шт.

0365431

Case

SUB FOR AT181742, SWING MOTOR SERIAL NUMBER 67372548 AND UP

1шт.

43A

0365336

Pin Fastener

SUB FOR AT185236

2шт.

44

4506406

O-Ring

5.800 X 1.900 mm SUB FOR TH104587

1шт.

45

CH10568

Packing

2шт.

50

4224992

Motor

NLA, ORDER 4224992EX

1шт.

4224992EX

Hydraulic Motor Reman

SUB FOR AT205769 OR AT2 17343, REMAN FOR 4224992

1шт.

Выбрано товаров: 49