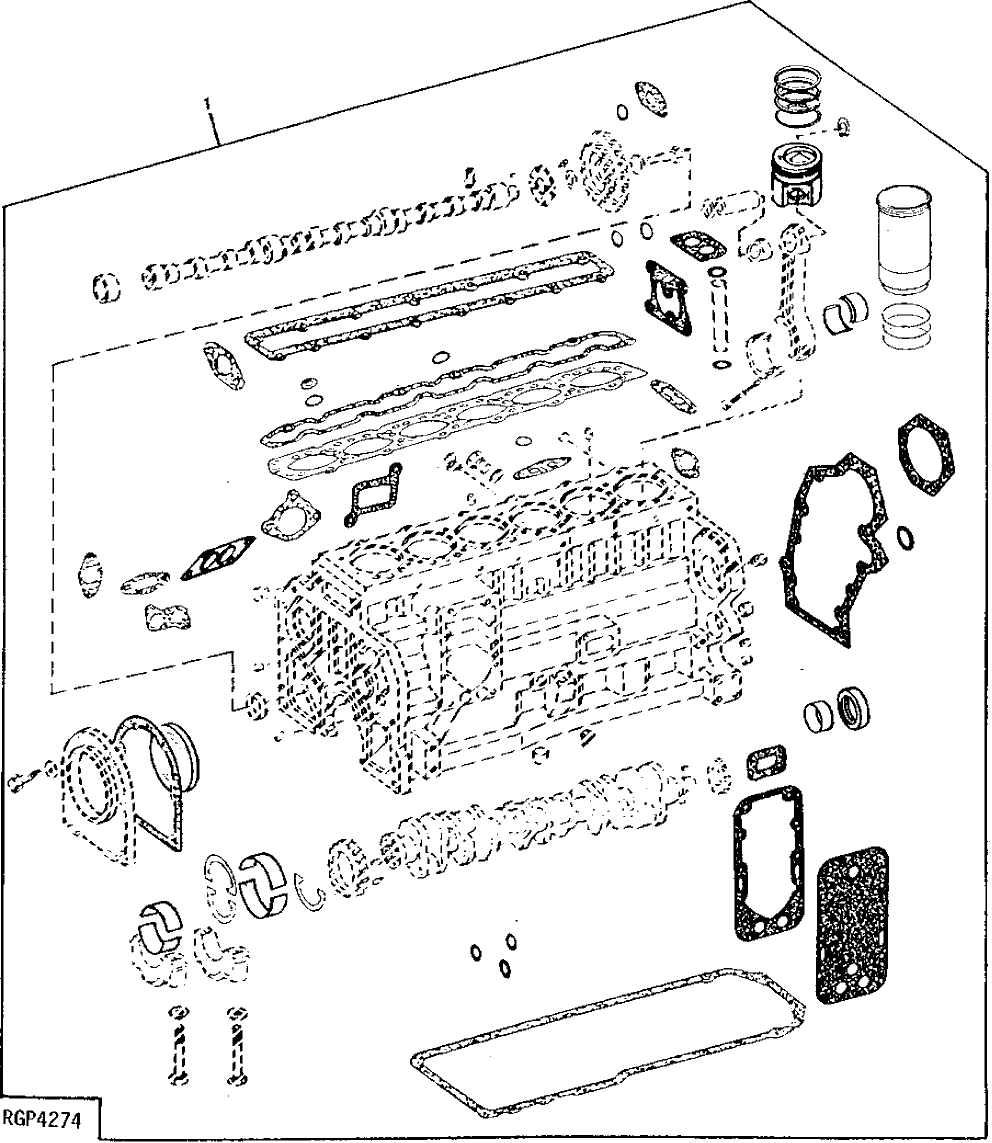
Запчасти John Deere 92DLC 26 - ENGINE OVERHAUL KIT(S) (STD/US BRGS, OR EXPANDED) 0404 Cylinder Block 6076AT033 6076AT033

Схема запчастей John Deere 92DLC - 26 - ENGINE OVERHAUL KIT(S) (STD/US BRGS, OR EXPANDED) 0404 Cylinder Block 6076AT033 6076AT033
FIT
1:1
100%

Артикул

Название

Примечание

Количество

1

RG27914

Engine Overhaul Kit

(CONTAINS (6) RE60294 PISTON LINERS , GASKET KIT, STD BEARINGS, FRONT/RE AR SEALS AND SNAP RINGS) (ALSO ORDER R66452 ROD BOLTS) (SUB FOR RE64212)

1шт.

RG27920

Engine Overhaul Kit

(NOT AS SHOWN) (EXPANDED - STD BEA RINGS KIT) (CONTAINS RG27914 PARTS, (12) R66452, (6) R74008, (6) R5777 1 AND (4) R87561) (SUB FOR RE66784)

1шт.

RG27921

Engine Overhaul Kit

(NOT AS SHOWN) (EXPANDED .010" US BRGS KIT) (CONTAINS (6) RE60294, (6) AR73279, (6) AR7 4816, AR77750, AR77753, RG27881, AR49025, RE 520036 (12) E1343FN, (12) R66452, (6) R74008 , (6) R57771 AND (4) R87561) (SUB FOR RE6678 5)

1шт.

Выбрано товаров: 3