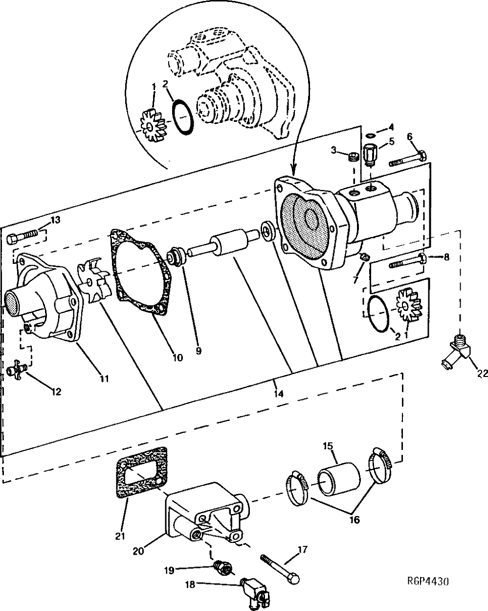
Запчасти John Deere 92DLC 49 - Water Pump 0417 Water Pump 6076AT033 6076AT033

Схема запчастей John Deere 92DLC - 49 - Water Pump 0417 Water Pump 6076AT033 6076AT033
FIT
1:1
100%

Артикул

Название

Примечание

Количество

1

R104591

Gear

1шт.

2

R101042

O-Ring

1шт.

3

RE57836

Pipe Plug

12.700 mm (SUB FOR 15H624)

2шт.

4

R72328

O-Ring

1шт.

5

R41285

Adapter Fitting

1шт.

6

R112268

Screw

1шт.

12H303

Lock Washer

5/16"

1шт.

7

R100369

Filter

2шт.

8

R104861

Screw

1шт.

12H303

Lock Washer

5/16"

1шт.

9

RE69839

Seal

(SUB FOR RE45337) (SUB RE50021 4, THIS APPLICATION OR RG28370)

1шт.

10

R100367

Gasket

1шт.

11

R100364

Cover

1шт.

12

AT13740

Drain Valve

1шт.

13

R112268

Screw

4шт.

14

RE49540

Water Pump

(MARKED RE49540, W/X) (SUB RE500 214, THIS APPLICATION OR RG28370)

1шт.

RE68229

Water Pump

(MARKED RE68229 W/X) (SUB RE 500214 OR RG28370 THIS APPL.)

1шт.

RE500214

Water Pump

(MARKED RE500214 W/X)

1шт.

RG28370

Water Pump

1шт.

SE501012

Water Pump Reman

(REMAN FOR RE500214 OR RG28370)

1шт.

15

TY24407

Bulk Hose

(SUB FOR R96622)

1шт.

16

RE67208

Clamp

(SUB FOR RE43166, APPL)

2шт.

17

R105732

Screw

2шт.

18

AT35831

Drain Valve

1шт.

19

15H586

Adapter Fitting

3/8"

1шт.

20

R96606

Cover

1шт.

21

R96616

Gasket

1шт.

22

T27077

Hose Fitting

1шт.

Выбрано товаров: 28